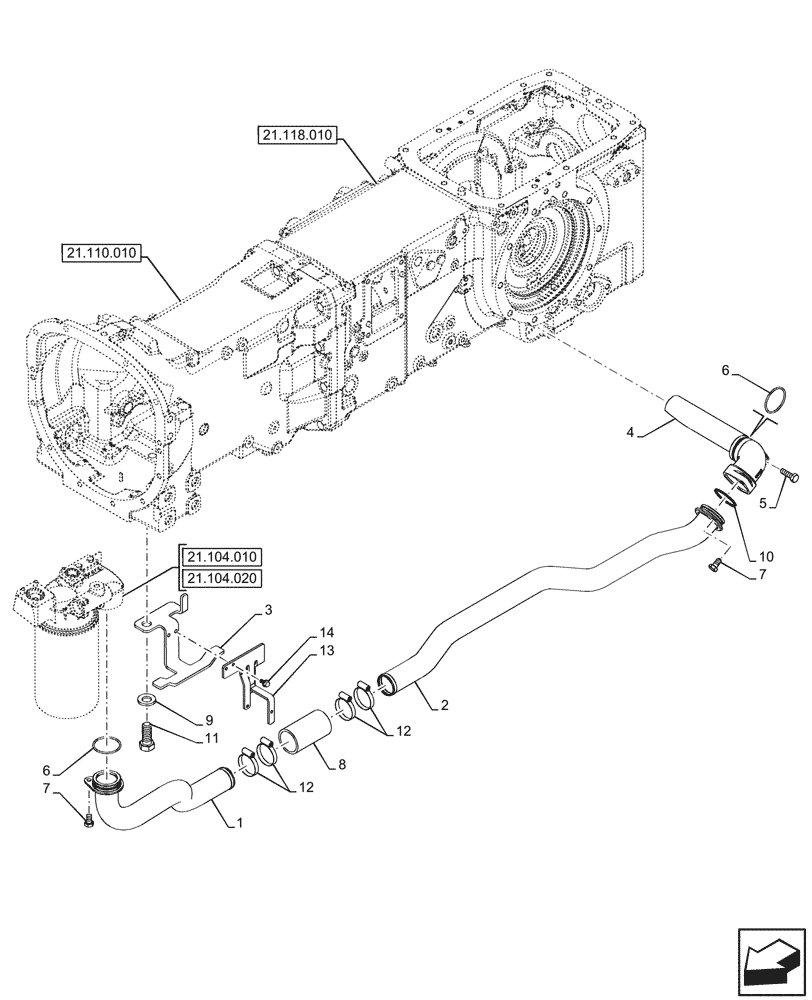
Запчасти Case IH FARMALL 110N (21.104.030) - VAR - 342264, 342265, 743524 - TRANSMISSION OIL, SUCTION PIPE, 60L/MIN (21) - TRANSMISSION

Схема запчастей Case IH FARMALL 110N - (21.104.030) - VAR - 342264, 342265, 743524 - TRANSMISSION OIL, SUCTION PIPE, 60L/MIN (21) - TRANSMISSION
21.104.020
7
4
14
5
6
7
12
13
10
3
12
9
8
11
1
6
2
21.118.010
21.104.010
21.110.010
FIT
1:1
100%

Артикул

Название

Примечание

Количество

1

47807390

PIPE

1шт.

2

47464699

PIPE

1шт.

3

47950426

BRACKET

1шт.

4

47464684

SUCTION PIPE

1шт.

5

16043721

SCREW,Hex, M8 x 1.25 x 28mm, Cl 8.8, Full Thd

1шт.

6

14464580

O-RING,0.139" Thk x 2.109" ID, -227, Cl 5, 75 Duro

2шт.

7

16043224

BOLT,Hex, M8 x 16mm, Cl 8.8

2шт.

8

84389530

SLEEVE,48mm ID x 58mm OD x 10mm L

1шт.

9

11191674

BELLEVILLE WASHER,M18 Bolt Size x 36mm OD x 4.2mm Thk

1шт.

10

14464480

O-RING,0.139" Thk x 1.984" ID, -226, Cl 5, 75 Duro

1шт.

11

15984124

SCREW,Hex, M18 x 1.5 x 45mm, Cl 8.8, Full Thd

1шт.

12

13000790

HOSE CLAMP,40mm - 60mm, Worm Gear

4шт.

13

47950427

BRACKET

1шт.

14

86050272

BOLT,M6 x 1 x 18.6mm OAL, Cl 8.8, Full Thd

2шт.

Выбрано товаров: 14