Запчасти Case IH FARMALL 110N (21.104.060) - VAR - 759011 - TRANSMISSION OIL, LINES, 80L/MIN, MECHANICAL, TRANSMISSION, CAB (21) - TRANSMISSION

Схема запчастей Case IH FARMALL 110N - (21.104.060) - VAR - 759011 - TRANSMISSION OIL, LINES, 80L/MIN, MECHANICAL, TRANSMISSION, CAB (21) - TRANSMISSION
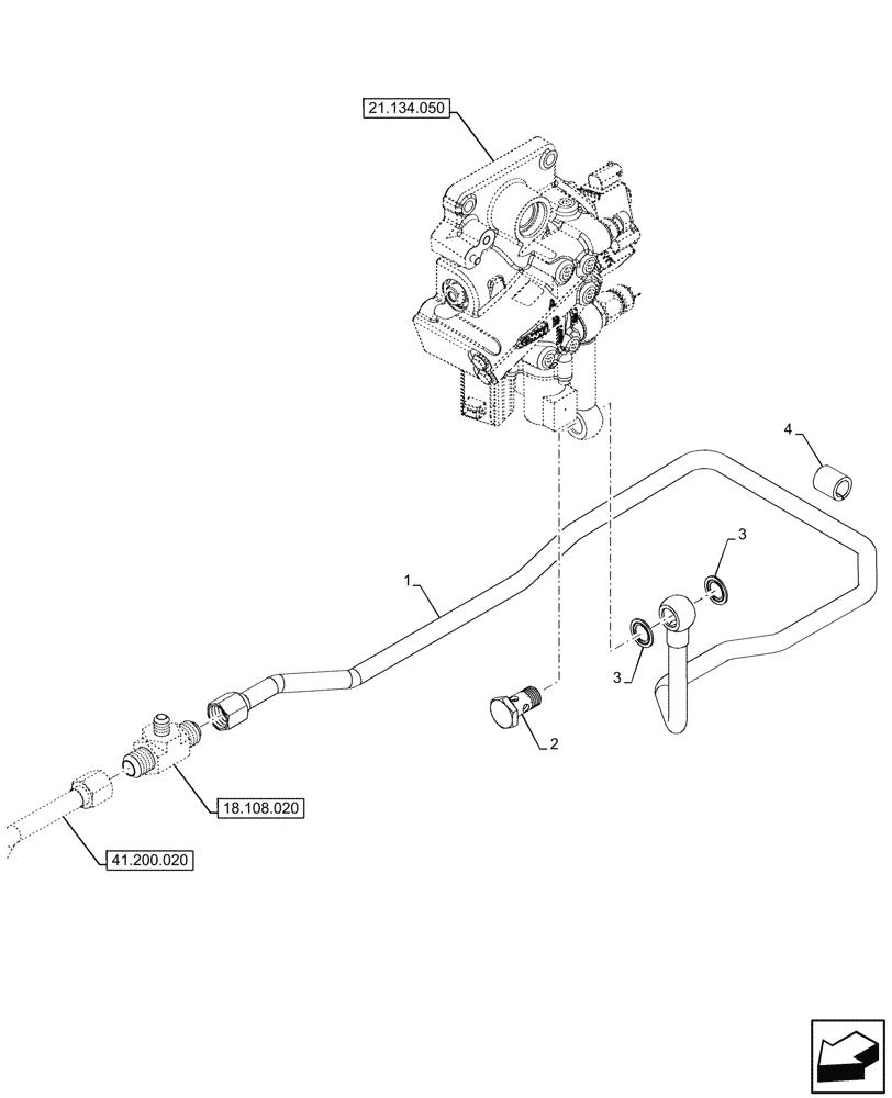
21.134.050
18.108.020
1
2
4
3
3
41.200.020
FIT
1:1
100%

Артикул

Название

Примечание

Количество

1

47670483

PIPE

1шт.

2

5188580

BANJO BOLT,Hex, M12/18 x 1.5

1шт.

3

5186176

SEALING WASHER,15.80mm ID x 26.92mm OD x 1.50mm, Steel, Zinc

2шт.

4

47389651

SPACER,16mm ID x 23mm OD x 25mm L

1шт.

Выбрано товаров: 4