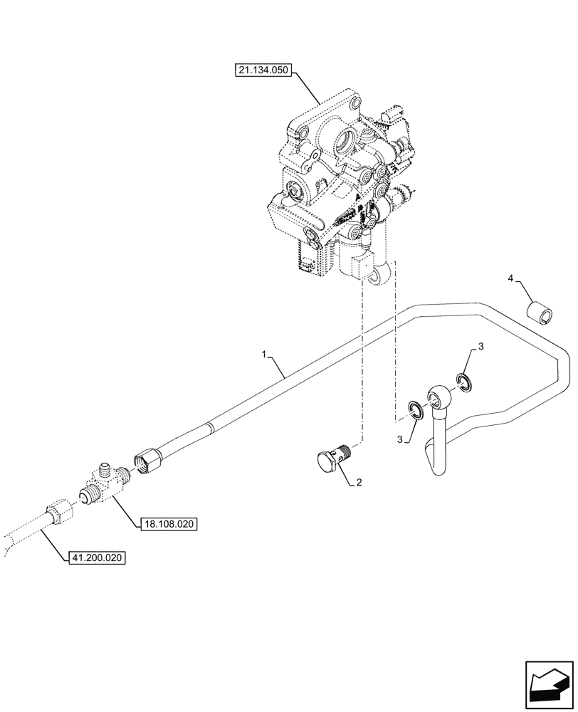
Запчасти Case IH FARMALL 110N (21.104.090) - VAR - 743524 - TRANSMISSION OIL, LINES, 60L/MIN, HYDRAULIC, TRANSMISSION (21) - TRANSMISSION

Схема запчастей Case IH FARMALL 110N - (21.104.090) - VAR - 743524 - TRANSMISSION OIL, LINES, 60L/MIN, HYDRAULIC, TRANSMISSION (21) - TRANSMISSION
21.134.050
3
4
1
3
2
18.108.020
41.200.020
FIT
1:1
100%

Артикул

Название

Примечание

Количество

1

47448123

PIPE

1шт.

2

5173680

BANJO BOLT,Pipe, M18 x 1.5 x 56mm

1шт.

3

5186176

SEALING WASHER,15.80mm ID x 26.92mm OD x 1.50mm, Steel, Zinc

3шт.

4

47389651

SPACER,16mm ID x 23mm OD x 25mm L

1шт.

Выбрано товаров: 4