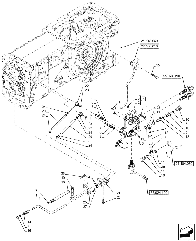
Запчасти Case IH FARMALL 110N (21.134.180) - POWERSHUTLLE TRANSMISSION CONTROL VALVE (21) - TRANSMISSION

Схема запчастей Case IH FARMALL 110N - (21.134.180) - POWERSHUTLLE TRANSMISSION CONTROL VALVE (21) - TRANSMISSION
27.106.010
23
12
8
22
26
4
11
27
14
6
24
7
10
8
18
24
3
10
1
24
20
11
6
24
8
5
19
26
10
11
5
21
17
15
2
25
23
3
16
11
28
9
7
5
13
3
20
7
7
7
24
7
22
28
55.024.190
55.024.190
21.118.040
21.104.080
FIT
1:1
100%

Артикул

Название

Примечание

Количество

1

84553756

COVER

ASSY, Valve Power Shuttle, Incl 2, 3

1шт.

2

NSS

NOT SOLD SEPARAT

Cover, Incl in 1

1шт.

3

14326004

PLUG,Hex Socket, M10 x 1.25 x 11.00mm, STL, DAC

4шт.

4

11903011

PLUG,M10 x 1 x 11, Cl5.8

2шт.

5

10260960

SEALING WASHER,M10.2 x 14 x 1.5

4шт.

6

5177578

HYD CONNECTOR

2шт.

7

5174041

O-RING,2.62mm Thk x 13.1mm ID, 70 Duro

6шт.

8

14456880

O-RING,0.103" Thk x 0.362" ID, -110, Cl 5, 75 Duro

3шт.

9

14307624

HEX SOC SCREW,M10 x 1.25 x 35mm, Cl 8.8, Full Thd

4шт.

10

5184345

BANJO BOLT,M18 x 1.5 x 34mm

3шт.

11

10259960

SEAL,Rectangular, 18.30mm ID x 24.00mm OD x 1.50mm, Copper

4шт.

12

5173681

RIGID TUBE

Pressure

1шт.

13

5170235

BANJO BOLT,M18 x 1.5 x 35mm

1шт.

14

5173962

HYD CONNECTOR,46mm L

1шт.

15

11288024

BOLT,Hex, M10 x 1.25 x 60mm, Cl 8.8

2шт.

16

14328501

PLUG,M16, Tapered

1шт.

17

5176044

RIGID TUBE

from Power Shuttle Valve to HI

1шт.

18

5173963

RIGID TUBE

Lubrification

1шт.

19

5176047

RIGID TUBE

from Power Shuttle Valve to LO

1шт.

20

5176059

RIGID TUBE

Gear Control

2шт.

21

5177629

MANIFOLD

for Gear Control

1шт.

22

5177627

HYD CONNECTOR,M14 x 1.5 x 24mm

2шт.

23

14437785

O-RING,11.3mm ID x 2.4mm

2шт.

24

5103230

O-RING,2.62mm Thk x 11.91mm ID

6шт.

25

5176052

BRACKET

Gear Control Pipes

1шт.

26

16043524

SCREW,Hex, M8 x 1.25 x 22mm, Cl 8.8, Full Thd

2шт.

26

16043624

SCREW,Hex, M8 x 1.25 x 25mm, Cl 8.8, Full Thd

4шт.

27

16043924

BOLT,Hex, M8 x 1.25 x 35mm, Cl 8.8, Full Thd

1шт.

28

5173682

BANJO BOLT,M9 x 30mm

2шт.

Выбрано товаров: 0