Запчасти Case IH FARMALL 110N (21.160.020) - VAR - 330111 - CREEPER, HI-LO (21) - TRANSMISSION

Схема запчастей Case IH FARMALL 110N - (21.160.020) - VAR - 330111 - CREEPER, HI-LO (21) - TRANSMISSION
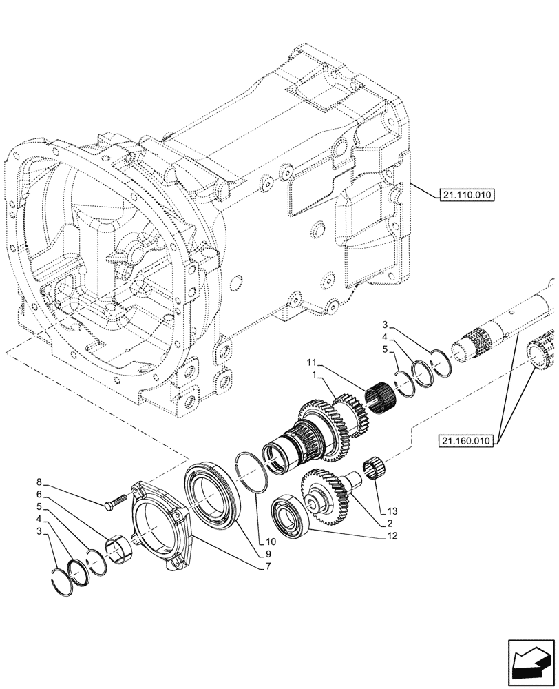
21.110.010
1
12
6
5
3
10
2
13
3
4
11
4
9
7
8
5
21.160.010
FIT
1:1
100%

Артикул

Название

Примечание

Количество

1

5177501

DRIVEN SHAFT,40T / 26T

Z 40, Z 26

1шт.

2

5177539

DRIVEN GEAR,36T

Z 36

1шт.

3

5117076

CIRCLIP,M47, Ext

2шт.

4

5168364

SEAL,40mm ID x 47mm OD x 4mm Thk

2шт.

5

5139494

SNAP RING,45mm D x 1.5mm Thk, Ext

2шт.

6

5168362

ROLLER CAGE BEARING,40mm ID x 45mm OD x 17mm W

1шт.

7

5176961

MANIFOLD

1шт.

8

16043924

BOLT,Hex, M8 x 1.25 x 35mm, Cl 8.8, Full Thd

4шт.

9

5168366

BALL BEARING,70mm ID x 110mm OD x 20mm W

1шт.

10

5177510

SNAP RING,2mm Thk, Ext

1шт.

11

5128943

NEEDLE BEARING,40mm ID x 45mm OD x 27mm W

1шт.

12

20705250

BALL BEARING,35mm ID x 72mm OD x 17mm W

1шт.

13

5168198

ROLLER BEARING,25mm ID x 33mm OD x 20mm W

1шт.

Выбрано товаров: 13