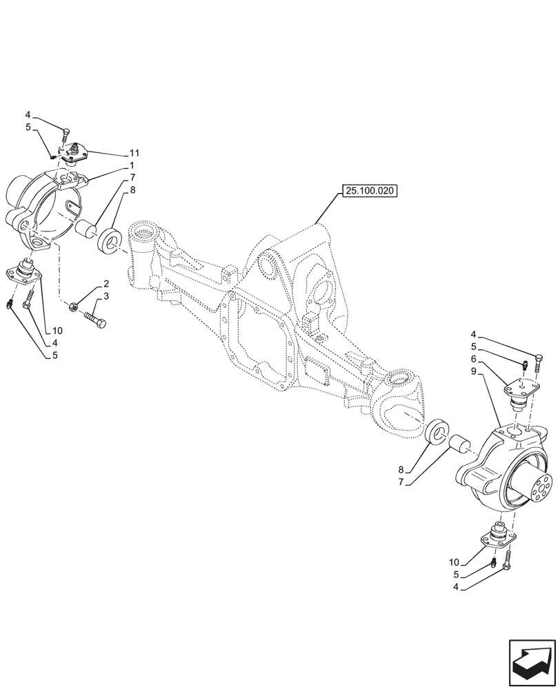
Запчасти Case IH FARMALL 110N (25.108.040) - VAR - 744473 - 4WD FRONT AXLE, W/ ELECTROHYDRAULIC DIFFERENTIAL LOCK, W/O FRONT BRAKES, STEERING KNUCKLE (25) - FRONT AXLE SYSTEM

Схема запчастей Case IH FARMALL 110N - (25.108.040) - VAR - 744473 - 4WD FRONT AXLE, W/ ELECTROHYDRAULIC DIFFERENTIAL LOCK, W/O FRONT BRAKES, STEERING KNUCKLE (25) - FRONT AXLE SYSTEM
25.100.020
8
11
4
4
5
9
2
4
5
7
10
5
4
5
7
1
6
8
10
3
FIT
1:1
100%

Артикул

Название

Примечание

Количество

1

87313793

CUP COVER

RH

1шт.

2

87313789

NUT

2шт.

3

5194264

BOLT,M16 x 75mm

M16 x 75

2шт.

4

84585475

16шт.

5

321204

LUBE NIPPLE,M6 x 1.0 x 16mm OAL

4шт.

6

87313790

PIN

LH

1шт.

7

87313791

BUSHING

2шт.

8

1966164C1

OIL SEAL,47mm ID x 62mm OD x 14mm Thk

2шт.

9

87313788

CUP COVER

LH

1шт.

10

5194261

PIN

2шт.

11

5194280

PIN

RH

1шт.

Выбрано товаров: 11