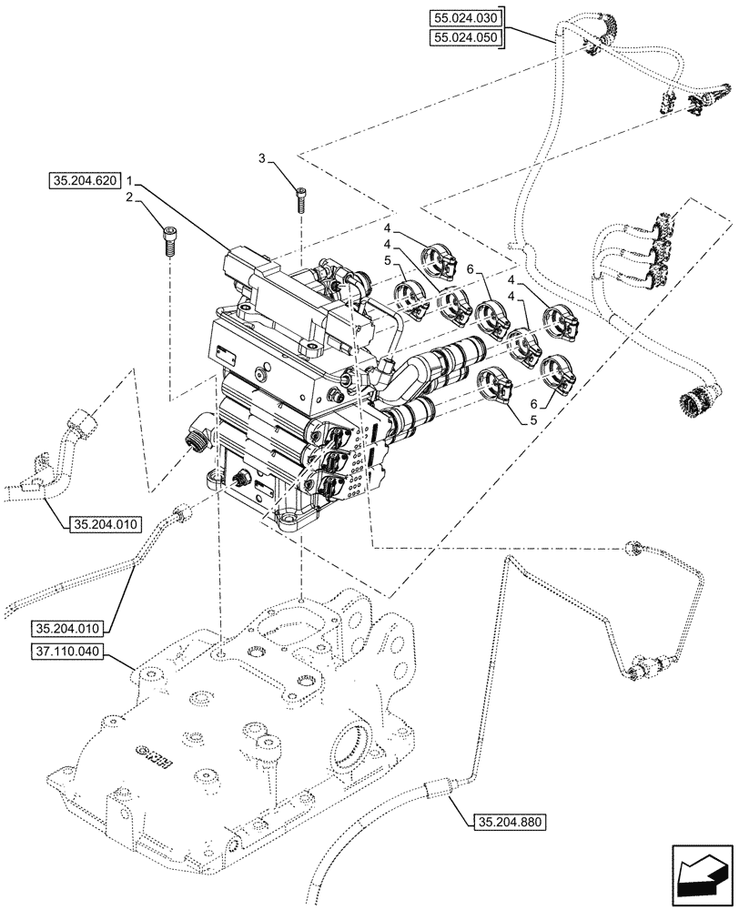
Запчасти Case IH FARMALL 110N (35.204.610) - VAR - 759025 - 3 REMOTE CONTROL VALVES, ELECTROHYDRAULIC, MOUNTING, CAB (35) - HYDRAULIC SYSTEMS

Схема запчастей Case IH FARMALL 110N - (35.204.610) - VAR - 759025 - 3 REMOTE CONTROL VALVES, ELECTROHYDRAULIC, MOUNTING, CAB (35) - HYDRAULIC SYSTEMS
35.204.010
6
1
4
6
5
4
5
4
4
2
3
55.024.030
35.204.880
35.204.620
37.110.040
55.024.050
35.204.010
FIT
1:1
100%

Артикул

Название

Примечание

Количество

1

47910002

DISTRIBUTOR

Electro Hydraulic Superflow, ASSY

1шт.

2

14331121

HEX SOC SCREW,M12 x 1.25 x 30mm, Cl 8.8, Full Thd

2шт.

3

14306524

HEX SOC SCREW,M8 x 1.25 x 30mm, Cl 8.8, Full Thd

2шт.

4

47132128

DUST CAP,Brown

Brown

4шт.

5

47132127

DUST CAP,Blue

2шт.

6

47132126

DUST CAP,Green

2шт.

Выбрано товаров: 6