Запчасти Case IH FARMALL 75N (0.35.0) - POWER TAKE OFF (01) - ENGINE

Схема запчастей Case IH FARMALL 75N - (0.35.0) - POWER TAKE OFF (01) - ENGINE
1
1
1
6
1
8
0.04.3 01
9
1
10
1
0.04.3 01
4
home
1
3
2
1
2
5
7
FIT
1:1
100%

Артикул

Название

Примечание

Количество

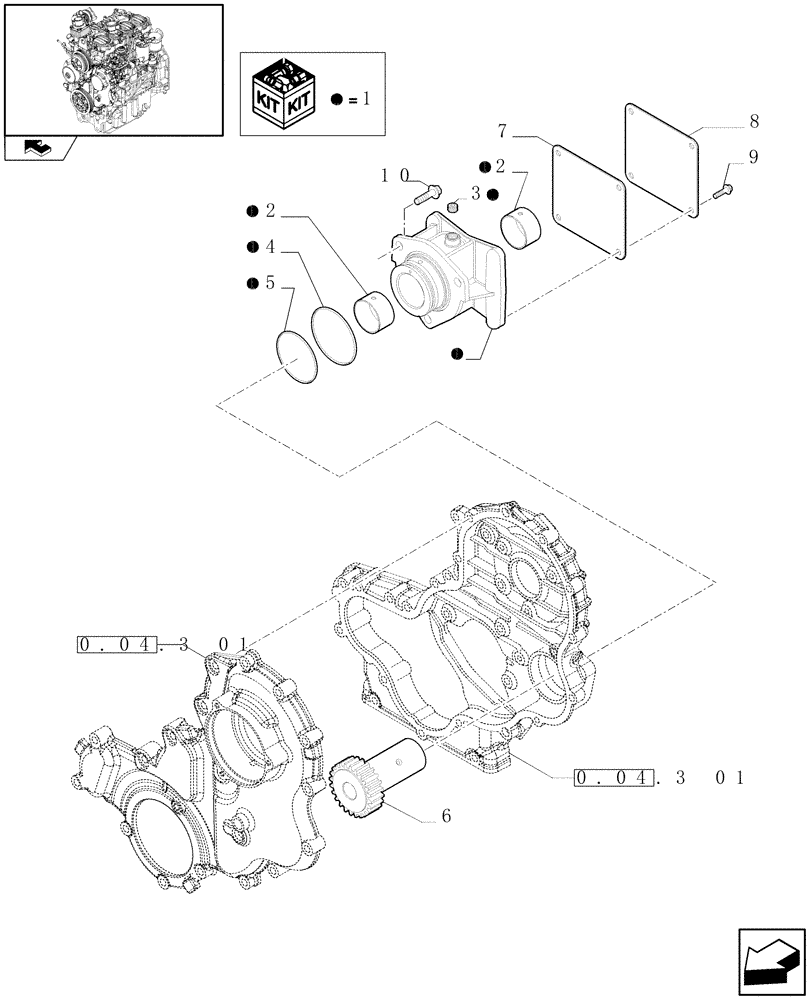
1

504213227

PINION CARRIER

ASSY, Incl 2-5

1шт.

2

504184238

BUSHING

2шт.

3

504051236

PLUG,Threaded, 1/8"

D=1/8

1шт.

4

17290481

O-RING

D=69.44 x 3.53 mm

1шт.

5

17284781

O-RING

1шт.

6

504240430

GEAR SHAFT

1шт.

7

2853840

GASKET,0.8mm Thk

1шт.

8

2853841

COVER

1шт.

9

2854311

SCREW,Hex, Flg Hd, M8 x 1.25 x 18mm

M8 x 1.25 x 18

4шт.

10

2852403

FLANGE BOLT,Hex, M10 x 1.5 x 30mm

3шт.

Выбрано товаров: 10