Запчасти Case IH FARMALL 80N (10.501.020) - VAR - 759001, 759002 - EXHAUST, MUFFLER (10) - ENGINE

Схема запчастей Case IH FARMALL 80N - (10.501.020) - VAR - 759001, 759002 - EXHAUST, MUFFLER (10) - ENGINE
55.014.020
3
12
11
6
7
15
9
17
2
13
9
6
16
15
10
9
8
14
19
10.254.030
18
21
4
10
21
1
20
4
14
10
22
11
16
5
55.014.010
10.254.010
10.501.010
10.501.030
10.501.030
FIT
1:1
100%

Артикул

Название

Примечание

Количество

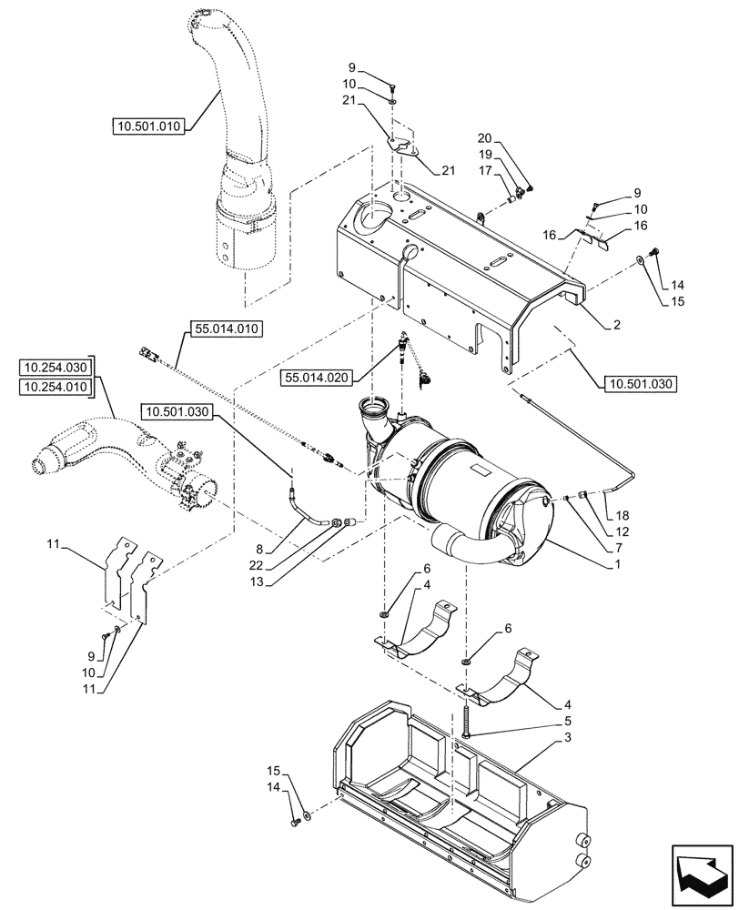
1

47422866

MUFFLER

1шт.

2

47522417

COVER

1шт.

3

47801864

COVER

1шт.

4

47522463

WEATHERSTRIP

2шт.

5

15971421

BOLT,Hex, M10 x 1.25 x 80mm, Cl 8.8

4шт.

6

11190574

BELLEVILLE WASHER,M10 Bolt Size x 20mm OD x 2.3mm Thk

4шт.

7

11264111

RING,8mm, Style A

1шт.

8

47442154

PIPE

Pressure

1шт.

9

10902124

SCREW,Hex, M6 x 14mm, Cl 8.8

12шт.

10

14498804

WASHER,6.4mm ID x 16.3mm OD x 1mm Thk

12шт.

11

47444238

BRACKET

2шт.

12

11260211

TUBE NUT,M12 x 1.5mm, 8 ZND

1шт.

13

11266411

FERRULE,6mm, Style A

1шт.

14

86625006

BOLT,Hex, M8 x 1 x 16mm, Cl 8.8, Full Thd

10шт.

15

11193974

BELLEVILLE WASHER,M8 Bolt Size x 22mm OD x 1.5mm Thk

10шт.

16

47444258

BRACKET

2шт.

17

48037108

SPACER

1шт.

18

47986220

PIPE

Pressure

1шт.

19

10440990

CLAMP,6mm, Coat, P Type

1шт.

20

10902224

SCREW,Hex, M6 x 16mm, Cl 8.8, Full Thd

1шт.

21

47470909

BRACKET

2шт.

22

11260311

TUBE NUT,M14 x 1.5mm, 8 ZND

1шт.

Выбрано товаров: 22