Запчасти Case IH FARMALL 80N (25.100.030) - VAR - 336329, 744473 - 4WD FRONT AXLE, W/ ELECTROHYDRAULIC DIFFERENTIAL LOCK, SUPPORT (25) - FRONT AXLE SYSTEM

Схема запчастей Case IH FARMALL 80N - (25.100.030) - VAR - 336329, 744473 - 4WD FRONT AXLE, W/ ELECTROHYDRAULIC DIFFERENTIAL LOCK, SUPPORT (25) - FRONT AXLE SYSTEM
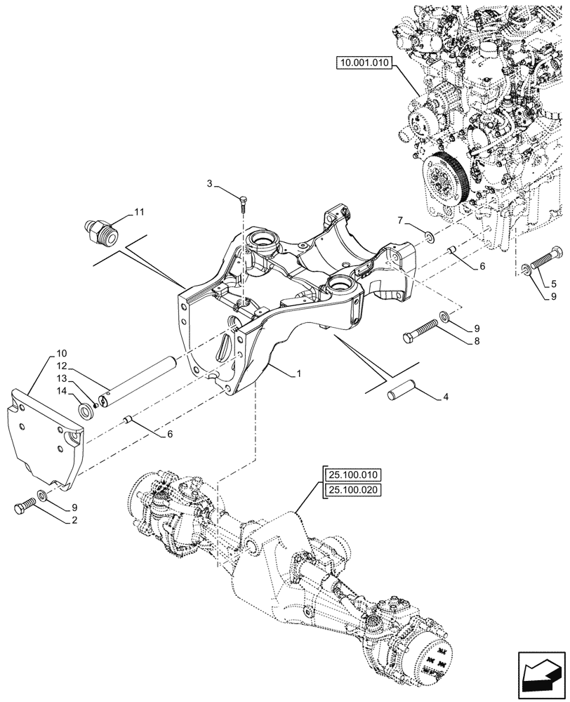
25.100.020
14
10
12
3
9
4
11
8
1
9
9
13
7
5
6
6
2
10.001.010
25.100.010
FIT
1:1
100%

Артикул

Название

Примечание

Количество

1

47893331

SUPPORT

1шт.

2

15988334

BOLT,Hex, M20 x 1.5 x 60mm, Cl 10.9

4шт.

3

47610700

SCREW,M12 x 1.75 x 58mm L

1шт.

4

10336210

DOWEL,M6 x 20

2шт.

5

15242434

BOLT,Hex, M20 x 1.5 x 110mm, Cl 10.9, Full Thd

2шт.

6

4668595

DOWEL,18mm OD x 22mm L

4шт.

7

47136468

SHIM,21mm ID x 40mm OD x 1.6mm Thk, Black

1шт.

7

47128135

SHIM,21mm ID x 40mm OD x 1.8mm Thk, Yellow

2шт.

7

47128136

SHIM,21mm ID x 40mm OD x 2.0mm Thk, Red

1шт.

7

47128137

SHIM,21mm ID x 40mm OD x 2.2mm Thk, Green

1шт.

7

47128138

SHIM,21mm ID x 40mm OD x 2.4mm Thk, Blue

1шт.

8

15989534

SCREW,Hex, M20 x 1.5 x 120mm

2шт.

9

11191879

BELLEVILLE WASHER,Belleville, 20mm ID x 38mm OD x 5.2mm Thk

20mm ID x 38mm OD x 5.2mm

8шт.

10

47617957

PLATE

1шт.

11

13407211

LUBE NIPPLE,M10 x 1

1шт.

12

47611583

PIN,40mm OD x 315mm L

1шт.

13

13812621

SCREW

M12 x 1.25 x 12mm

1шт.

14

5170057

RING,40.2mm ID x 65mm OD x 5mm Thk

2шт.

Выбрано товаров: 18