Запчасти Case IH FARMALL 80N (55.404.170) - WORK LIGHT, REAR, NA, W/O CAB (55) - ELECTRICAL SYSTEMS

Схема запчастей Case IH FARMALL 80N - (55.404.170) - WORK LIGHT, REAR, NA, W/O CAB (55) - ELECTRICAL SYSTEMS
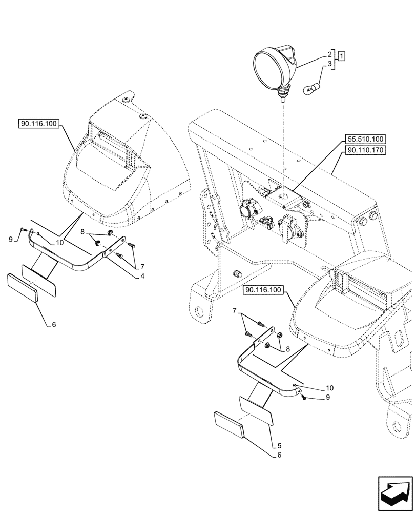
55.510.100
6
7
4
9
7
6
2
3
10
8
5
9
8
10
1
90.110.170
90.116.100
90.116.100
FIT
1:1
100%

Артикул

Название

Примечание

Количество

1

5129461

WORK LAMP,12V, 55W, Clear

ASSY, Incl 2, 3

1шт.

2

NSS

NOT SOLD SEPARAT

Body Lamp, Incl in 1

1шт.

3

10861290

BULB,12V, 35W

1шт.

4

5194752

SUPPORT

RH

1шт.

5

5194750

SUPPORT

LH

1шт.

6

82002957

REFLECTOR

2шт.

7

15966217

SCREW,Pan Hd, Sq Nk, M6 x 18mm, Cl 5.8

4шт.

8

13046111

LOCK NUT,Flg Lock, M6

4шт.

9

13272124

SCREW,Pozidriv Pan Hd, M4 x 14mm, Cl 8.8, Full Thd

2шт.

10

100012

NUT,M4 x 0.7, Cl 8

2шт.

Выбрано товаров: 10