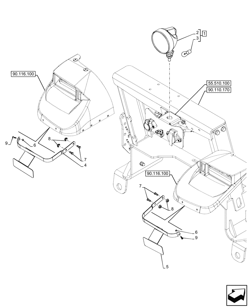
Запчасти Case IH FARMALL 80N (55.404.180) - WORK LIGHT, REAR, W/O CAB (55) - ELECTRICAL SYSTEMS

Схема запчастей Case IH FARMALL 80N - (55.404.180) - WORK LIGHT, REAR, W/O CAB (55) - ELECTRICAL SYSTEMS
55.510.100
7
6
3
5
7
9
2
8
6
9
8
4
1
90.110.170
90.116.100
90.116.100
FIT
1:1
100%

Артикул

Название

Примечание

Количество

1

5129461

WORK LAMP,12V, 55W, Clear

ASSY, Incl 2, 3

1шт.

2

NSS

NOT SOLD SEPARAT

Body Lamp, Incl in 1

1шт.

3

10861290

BULB,12V, 35W

1шт.

4

47123809

SUPPORT

LH

1шт.

5

47123808

SUPPORT

RH

1шт.

6

10794015

NUT

2шт.

7

15966217

SCREW,Pan Hd, Sq Nk, M6 x 18mm, Cl 5.8

4шт.

8

13046111

LOCK NUT,Flg Lock, M6

4шт.

9

13272124

SCREW,Pozidriv Pan Hd, M4 x 14mm, Cl 8.8, Full Thd

2шт.

Выбрано товаров: 9