Запчасти Case IH FARMALL 80N (55.510.100) - POWER SOCKET, REAR, W/O CAB (55) - ELECTRICAL SYSTEMS

Схема запчастей Case IH FARMALL 80N - (55.510.100) - POWER SOCKET, REAR, W/O CAB (55) - ELECTRICAL SYSTEMS
55.100.020
8
11
3
9
7
5
11
1
6
4
12
13
10
2
90.110.170
55.510.020
FIT
1:1
100%

Артикул

Название

Примечание

Количество

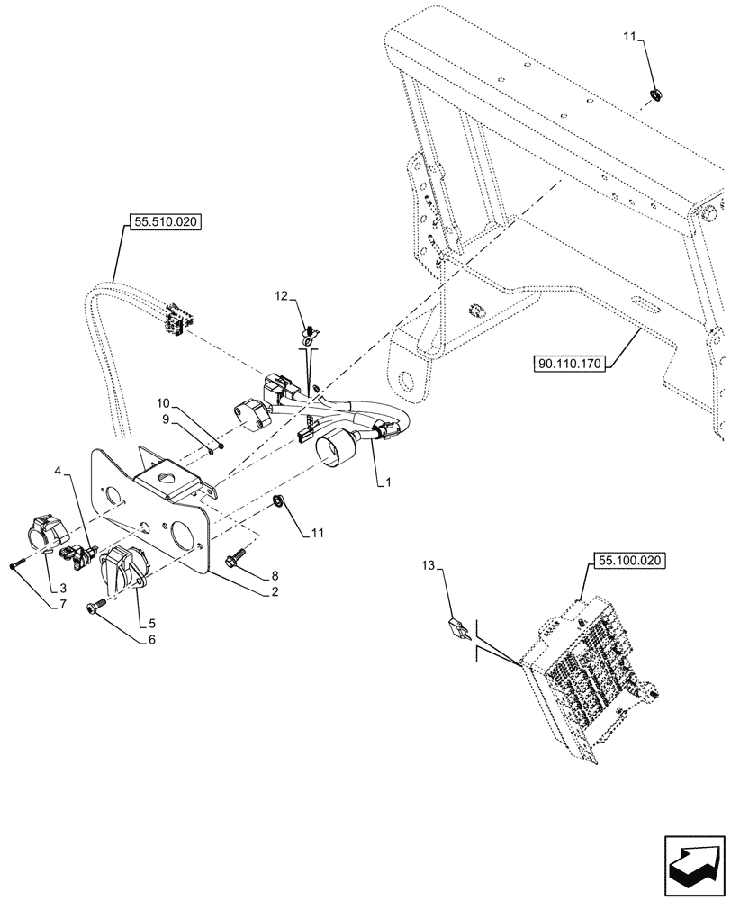
1

47438404

ELECTRIC CABLE

from Main to Power Socket

1шт.

2

47906241

BRACKET

1шт.

3

83982634

POWER SOCKET

1шт.

4

84191453

SOCKET,12/24V, 20A

1шт.

5

5186012

SOCKET/RECEPTACLE

1шт.

6

13279611

SCREW,Pozidriv Pan Hd, M8 x 25mm

2шт.

7

13272617

SCREW,Pozidriv Pan Hd, M4 x 25mm, Cl 5.8

2шт.

8

86512253

BOLT,Hex Flg, M8 x 25mm

3шт.

9

11181474

BELLEVILLE WASHER,M4 Bolt Size x 9mm OD x 0.7mm Thk

2шт.

10

10794011

NUT,M4, Cl 8

2шт.

11

13046211

NUT,Flange Hex, M8

5шт.

12

82033028

CABLE TIE,170mm L

1шт.

13

84157159

FUSE,40A, Maxi, Orange

1шт.

Выбрано товаров: 13