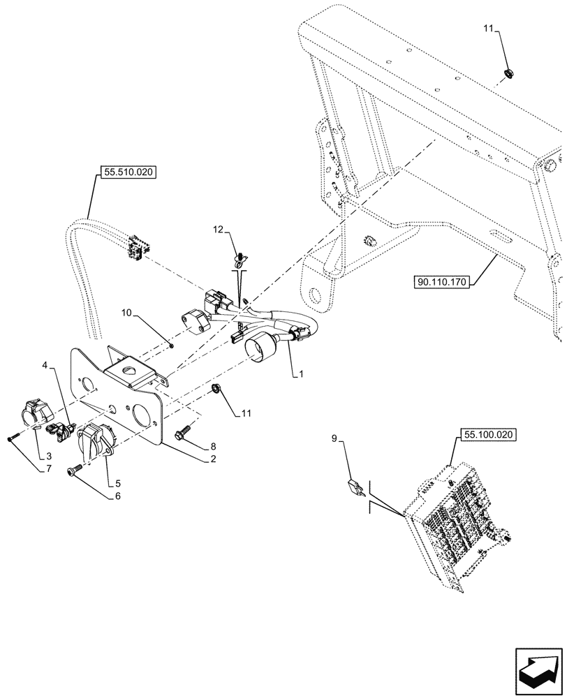
Запчасти Case IH FARMALL 80N (55.510.110) - POWER SOCKET, REAR, W/O CAB (55) - ELECTRICAL SYSTEMS

Схема запчастей Case IH FARMALL 80N - (55.510.110) - POWER SOCKET, REAR, W/O CAB (55) - ELECTRICAL SYSTEMS
55.100.020
3
6
11
8
11
4
9
2
10
5
12
1
7
90.110.170
55.510.020
FIT
1:1
100%

Артикул

Название

Примечание

Количество

1

47438396

ELECTRIC CABLE

from Main to Power Socket

1шт.

2

47906247

BRACKET

1шт.

3

5170243

POWER SOCKET,25A

1шт.

4

84191453

SOCKET,12/24V, 20A

1шт.

5

5102156

MULTIPOLE CONNECTOR,Female, 7 Pole

1шт.

6

13275024

SCREW,M5 x 40mm, Cl 8.8

3шт.

7

13274211

SCREW,Pozidriv Pan Hd, M5 x 16mm, Cl 5.8, Full Thd

2шт.

8

86512253

BOLT,Hex Flg, M8 x 25mm

3шт.

9

82012388

FUSE,30A, Maxival, Green

1шт.

10

13046011

NUT,Flange Hex, M5

5шт.

11

13046211

NUT,Flange Hex, M8

3шт.

12

82033028

CABLE TIE,170mm L

1шт.

Выбрано товаров: 12