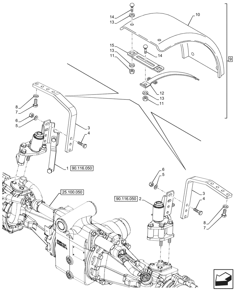
Запчасти Case IH FARMALL 80N (90.116.080) - VAR - 744477 - DYNAMIC FRONT FENDER (310MM) (90) - PLATFORM, CAB, BODYWORK AND DECALS

Схема запчастей Case IH FARMALL 80N - (90.116.080) - VAR - 744477 - DYNAMIC FRONT FENDER (310MM) (90) - PLATFORM, CAB, BODYWORK AND DECALS
25.100.050
14
2
9
11
3
12
13
13
13
8
4
4
6
3
5
15
6
11
1
7
7
8
14
10
5
90.116.050
90.116.050
FIT
1:1
100%

Артикул

Название

Примечание

Количество

1

84318149

SUPPORT

RH, ASSY

1шт.

2

84317593

SUPPORT

LH, ASSY

1шт.

3

84327318

SUPPORT

2шт.

4

11307024

BOLT,Hex, M10 x 1.25 x 40, 8.8, Full Thd

4шт.

5

14496601

WASHER,10.5mm ID x 21mm OD x 2mm Thk

4шт.

6

12574514

LOCK NUT,M10 x 1.25

4шт.

7

15542724

SCREW,Hex, M12 x 1.25 x 28mm

4шт.

8

11190774

BELLEVILLE WASHER,M12 Bolt Size x 24mm OD x 2.8mm Thk

4шт.

9

84328216

FENDER

ASSY, Incl 10 (Qty 1), 11 (Qty 6), 12 (Qty 1), 13 (Qty 6), 14 (Qty 6), 15 (Qty 2)

2шт.

10

5179784

FRONT FENDER

310mm, with 4WD - 280/70R16 or 280/70R18 or 4WD Scraping or less 4WD Wheels

2шт.

11

12577211

LOCK NUT,M10 x 1.5mm Pitch, 12.30mm High, Cl 8, ZND

12шт.

12

84327279

SUPPORT

2шт.

13

12626201

WASHER,10.2mm ID x 25mm OD x 3mm Thk

12шт.

14

82021059

BOLT,Hex, M10 x 1.25 x 31mm

12шт.

15

47137894

PLATE

4шт.

Выбрано товаров: 15