Запчасти Case IH FARMALL 80N (10.254.010) - VAR - 332150 - MUFFLER, HORIZONTAL, SILENCER (10) - ENGINE

Схема запчастей Case IH FARMALL 80N - (10.254.010) - VAR - 332150 - MUFFLER, HORIZONTAL, SILENCER (10) - ENGINE
10.501.010
4
9
10
6
3
5
12
9
8
6
15
11
2
1
13
8
5
7
14
10.001.010
FIT
1:1
100%

Артикул

Название

Примечание

Количество

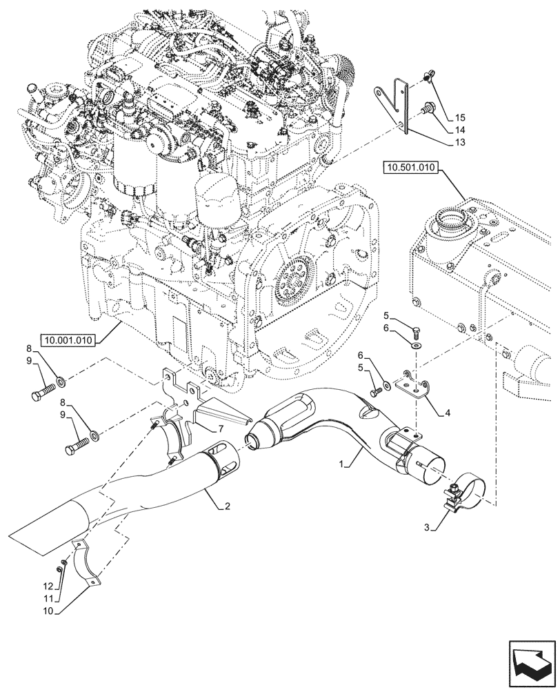
1

47453776

UNLOADING TUBE

1шт.

2

47986882

UNLOADING TUBE

1шт.

3

47682473

COLLAR CLAMP,69mm ID

Collar Clamp, ID 69

1шт.

4

47562859

SUPPORT

1шт.

5

10902224

SCREW,Hex, M6 x 16mm, Cl 8.8, Full Thd

4шт.

6

14498804

WASHER,6.4mm ID x 16.3mm OD x 1mm Thk

4шт.

7

47986132

SUPPORT

1шт.

8

12646604

WASHER,6.15mm ID x 15mm OD x 1.5mm Thk

3шт.

9

10902421

SCREW,Hex, M6 x 20mm, Cl 8.8

3шт.

10

47986887

COLLAR

1шт.

11

84188434

WASHER,8.4mm ID x 16mm OD x 1.6mm Thk

2шт.

12

16100811

NUT,Hex, M8, 6.80mm, Cl 8, ZND

2шт.

13

47997330

BRACKET

1шт.

14

87698844

BOLT,Hex, M12 x 1.75 x 20mm, Full Thd, Cl 10.9

2шт.

15

82033028

CABLE TIE,170mm L

1шт.

Выбрано товаров: 15