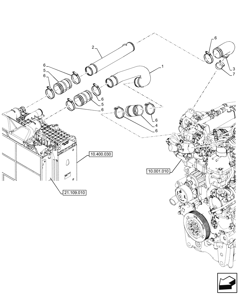
Запчасти Case IH FARMALL 80N (10.310.020) - VAR - 342245, 342246, 759001, 759002 - INTERCOOLER LINE (10) - ENGINE

Схема запчастей Case IH FARMALL 80N - (10.310.020) - VAR - 342245, 342246, 759001, 759002 - INTERCOOLER LINE (10) - ENGINE
10.001.010
6
3
6
6
2
5
1
6
7
4
6
6
6
5
10.400.030
21.109.010
FIT
1:1
100%

Артикул

Название

Примечание

Количество

1

47995766

PRESSURE PIPE

1шт.

2

47997497

PRESSURE PIPE

1шт.

3

47451394

HOSE,38.5/53.5mm ID x 135.2mm L

1шт.

4

47455260

HOSE,54.2mm ID x 53.2mm ID x 86mm L

1шт.

5

47455262

HOSE,58.2mm ID x 53.2mm ID x 87.5mm L

2шт.

6

82036462

CLAMP,50mm - 70mm

7шт.

7

82039348

HOSE CLAMP,40mm - 60mm

1шт.

Выбрано товаров: 7