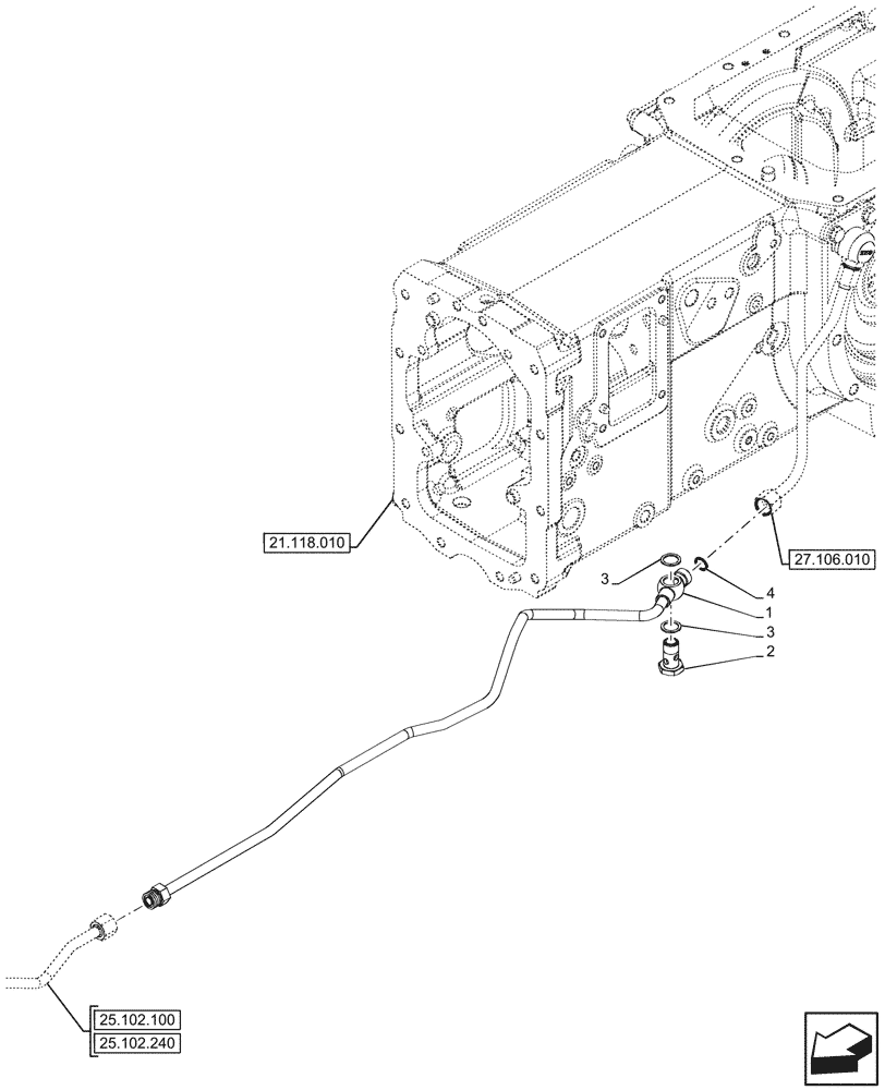
Запчасти Case IH FARMALL 80N (25.102.110) - VAR - 336329, 744473, 744474, 759009 - 4WD FRONT AXLE, W/ ELECTROHYDRAULIC DIFFERENTIAL LOCK, HYDRAULIC LINE (25) - FRONT AXLE SYSTEM

Схема запчастей Case IH FARMALL 80N - (25.102.110) - VAR - 336329, 744473, 744474, 759009 - 4WD FRONT AXLE, W/ ELECTROHYDRAULIC DIFFERENTIAL LOCK, HYDRAULIC LINE (25) - FRONT AXLE SYSTEM
27.106.010
1
2
4
3
3
25.102.100
25.102.240
21.118.010
FIT
1:1
100%

Артикул

Название

Примечание

Количество

1

47950550

PIPE

from Electrohydraulic Differential Lock Fork to Front Differential Lock

1шт.

2

5184345

BANJO BOLT,M18 x 1.5 x 34mm

1шт.

3

10259960

SEAL,Rectangular, 18.30mm ID x 24.00mm OD x 1.50mm, Copper

1шт.

4

86598099

O-RING,2.2mm Thk x 11.3mm ID, Cl 6

1шт.

Выбрано товаров: 4