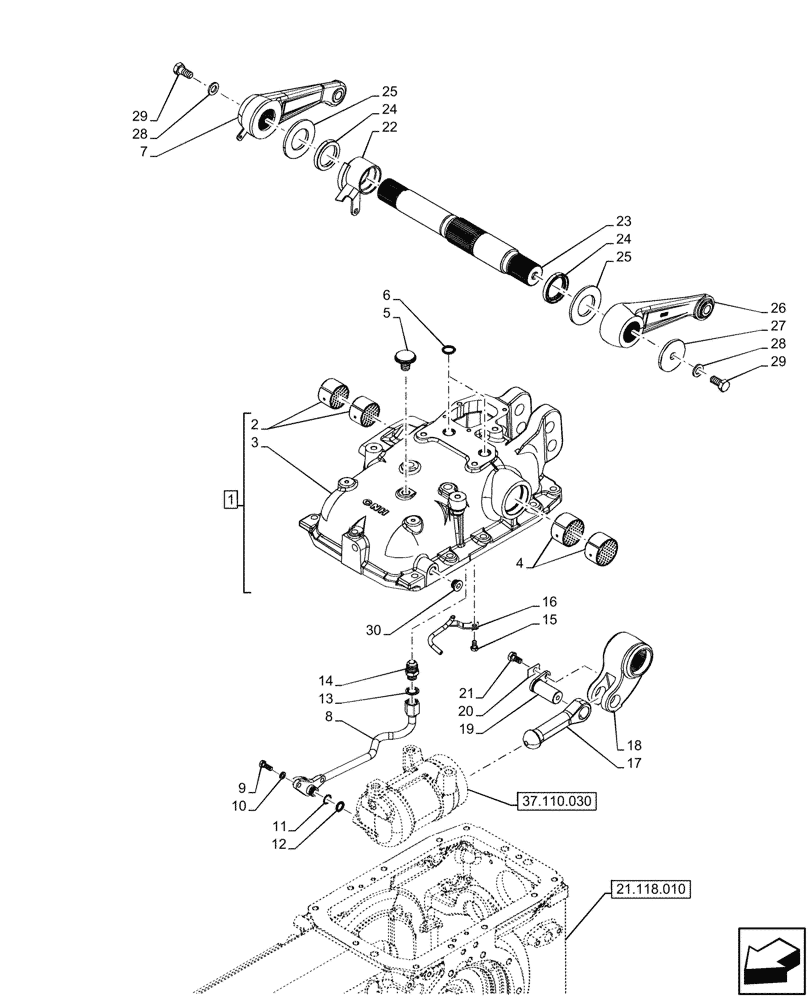
Запчасти Case IH FARMALL 80N (37.110.080) - VAR - 341790, 341846, 341847, 342382, 342383, 342384, 342385, 743523, 759012 - REAR, HYDRAULIC LIFT, ELECTRONIC DRAFT CONTROL (EDC), HOUSING, ARM, CAB (37) - HITCHES, DRAWBARS & IMPLEMENT COUPLINGS

Схема запчастей Case IH FARMALL 80N - (37.110.080) - VAR - 341790, 341846, 341847, 342382, 342383, 342384, 342385, 743523, 759012 - REAR, HYDRAULIC LIFT, ELECTRONIC DRAFT CONTROL (EDC), HOUSING, ARM, CAB (37) - HITCHES, DRAWBARS & IMPLEMENT COUPLINGS
37.110.030
20
9
6
18
24
25
12
29
17
8
27
23
28
25
30
19
22
21
24
2
4
11
1
3
7
29
15
14
13
28
16
10
5
26
21.118.010
FIT
1:1
100%

Артикул

Название

Примечание

Количество

1

87382594

BODY

ASSY, Incl 2 - 4

1шт.

2

5181871

BUSHING,47.98mm ID x 53.03mm OD x 35mm L

RH

2шт.

3

87382579

BODY

1шт.

4

5181870

BUSHING,55.1mm ID x 60.03mm OD x 35mm L

LH

2шт.

5

83925022

BREATHER,.375-18 NPT

1шт.

6

14457580

O-RING,0.103" Thk x 0.799" ID, -117, Cl 5, 75 Duro

2шт.

7

5187400

LIFT ARM

RH

1шт.

8

47130049

RIGID TUBE

from Distributor to Lift Cylinder

1шт.

9

16043524

SCREW,Hex, M8 x 1.25 x 22mm, Cl 8.8, Full Thd

2шт.

10

10571771

LOCK WASHER,M8

2шт.

11

4958830

BACK-UP RING,16.26mm ID x 20.62mm OD x 1.14mm Thk

1шт.

12

14457281

O-RING,0.612" ID x 0.103" Width

1шт.

13

5186176

SEALING WASHER,15.80mm ID x 26.92mm OD x 1.50mm, Steel, Zinc

1шт.

14

5158806

HYD CONNECTOR,7/8-14 UNF, M18 x 1.5

1шт.

15

5183490

RIGID TUBE

Lubrification

1шт.

16

16043224

BOLT,Hex, M8 x 16mm, Cl 8.8

1шт.

17

5121221

PISTON ROD,30mm OD x 174mm L

1шт.

18

5176633

ARM

1шт.

19

5176612

PIN,60mm L

1шт.

20

14198810

LOCKING PLATE,M10

1шт.

21

15970624

BOLT,Hex, M10 x 1.25 x 22mm, Cl 8.8, Full Thd

1шт.

22

5196478

RING

1шт.

23

5176508

CONTROL SHAFT,50/43.5mm ID x 54.4/46.5mm OD x 428mm L, 42/60T

1шт.

24

5125650

OIL SEAL,48mm ID x 65mm OD x 10mm Thk

2шт.

25

5125649

SPACER,47mm ID x 85mm OD x 6mm L

2шт.

26

5187370

LIFT ARM

LH

1шт.

27

5122898

WASHER,15mm ID x 70mm OD x 7mm Thk

2шт.

28

11194174

BELLEVILLE WASHER,M14 Bolt Size x 27mm OD x 3mm Thk

2шт.

29

11422324

BOLT,Hex, M14 x 1.5 x 30mm, Cl 8.8

2шт.

30

10273111

PLUG,M18 x 1.5 x 13

1шт.

Выбрано товаров: 30