Запчасти Case IH FARMALL 85N (0.04.0) - CYLINDER BLOCK & RELATED PARTS (01) - ENGINE

Схема запчастей Case IH FARMALL 85N - (0.04.0) - CYLINDER BLOCK & RELATED PARTS (01) - ENGINE
1
6
10
3
11
9
1
5
home
1
1
7
7
1
1
1
1
1
3
2
12
1
1
1
3
1
1
13
3
8
5
4
1
FIT
1:1
100%

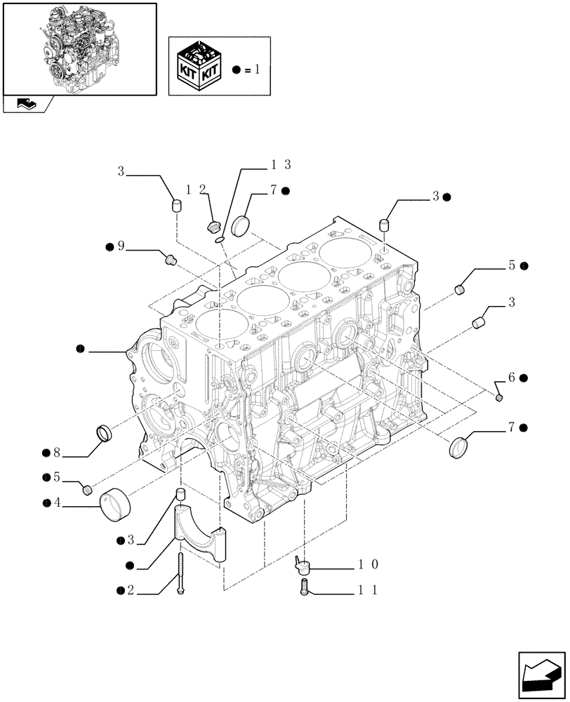
Артикул

Название

Примечание

Количество

1

504155506

CYLINDER BLOCK

ASSY, Incl 2-9

1шт.

2

4891353

SCREW,Flg Hd, M12 x 1.5 x 120

10шт.

3

7300019

DOWEL,0.75mm Thk

14шт.

4

4895040

BUSHING,54.39mm ID x 59.39mm OD x 25.4mm L

5шт.

5

504051238

PLUG,Threaded, 3/8" Dia

D=3/8

3шт.

6

504051236

PLUG,Threaded, 1/8"

D=1/8

4шт.

7

14329901

PLUG,M40, Tapered

6шт.

8

16990970

PLUG,Lock, 30mm Dia

D=30 mm

1шт.

9

504016052

PLUG,M14 x 1.5

M14 x 1.5

1шт.

10

504156514

LUBE OIL NOZZLE

4шт.

11

504173058

BANJO BOLT

4шт.

12

504356829

PIPE FITTING,M14 x 1.5

1шт.

13

504077652

SEALING WASHER,13mm ID x 19mm OD

1шт.

Выбрано товаров: 13