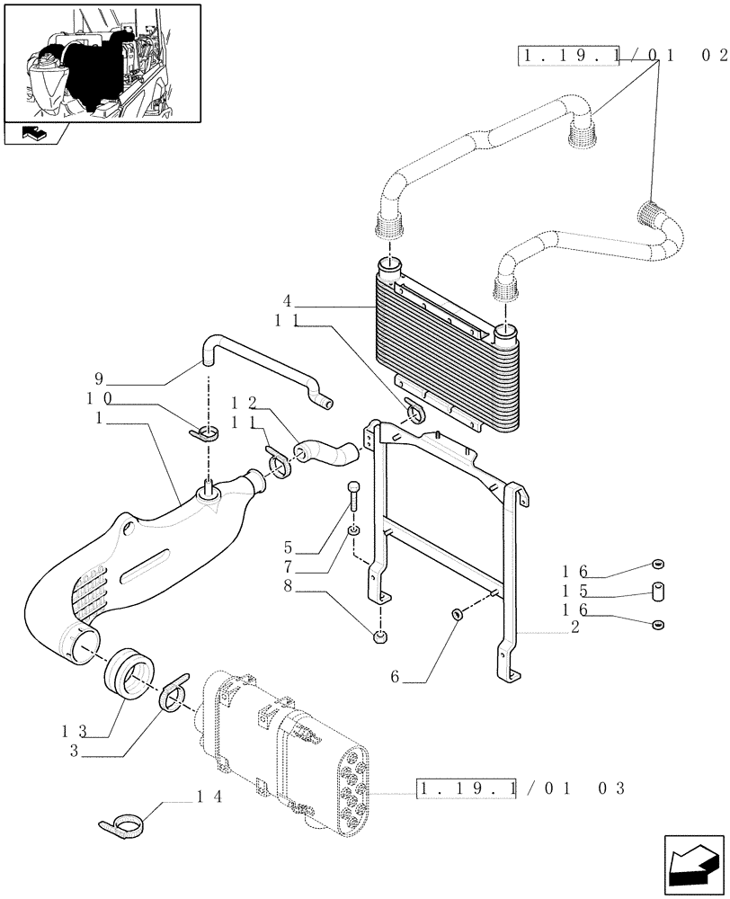
Запчасти Case IH FARMALL 95N (1.19.1/01[01]) - INTERCOOLER AND RELATED PARTS (02) - ENGINE EQUIPMENT

Схема запчастей Case IH FARMALL 95N - (1.19.1/01[01]) - INTERCOOLER AND RELATED PARTS (02) - ENGINE EQUIPMENT
16
9
10
16
4
12
2
7
1
13
6
15
14
8
home
1.19.1/01 03
1.19.1/01 02
3
11
5
11
FIT
1:1
100%

Артикул

Название

Примечание

Количество

1

87551519

INLET MANIFOLD

1шт.

2

87550821

SUPPORT

1шт.

3

13001290

HOSE CLAMP,90mm - 110mm, Worm Gear

D=90-110

1шт.

4

84308764

HEAT EXCHANGER

1шт.

5

16043021

SCREW,Hex, M8 x 1.25 x 12mm, Cl 8.8, Full Thd

2шт.

6

11193874

BELLEVILLE WASHER,M8 Bolt Size x 16mm OD x 1.4mm Thk

6шт.

7

12646204

WASHER,8.15mm ID x 35mm OD x 3mm Thk

2шт.

8

16100815

NUT,M8 x 1.25, Cl 8

6шт.

9

87551520

RIGID TUBE,18.7 - 20.7 mm ID

1шт.

10

13000490

HOSE CLAMP,20mm - 32mm, Worm Gear

D=20-32

2шт.

11

13000990

COLLAR,60mm - 80mm, Worm Gear

D=60-80

2шт.

12

87551518

HOSE

1шт.

13

87727774

RUBBER SEAL

1шт.

14

87707423

HOSE CLIP,40-50mm

D=40-50

1шт.

14

87644002

HOSE CLIP,57-65mm

D=57-65

3шт.

15

87550824

SPACER

2шт.

16

4952241

PAD

4шт.

Выбрано товаров: 0