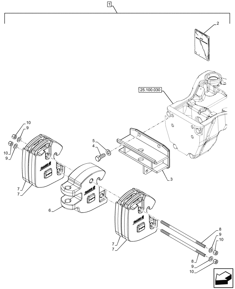
Запчасти Case IH FARMALL 100V (88.100.039[01]) - DIA KIT, FRONT WEIGHT SUPPORT W/4 PLATES HOOK (88) - ACCESSORIES

Схема запчастей Case IH FARMALL 100V - (88.100.039[01]) - DIA KIT, FRONT WEIGHT SUPPORT W/4 PLATES HOOK (88) - ACCESSORIES
25.100.030
9
8
10
9
10
7
2
10
7
10
7
9
4
5
9
8
7
6
3
1
FIT
1:1
100%

Артикул

Название

Примечание

Количество

1

719168010

DIA KIT, TRACTOR

Front Weight Support with 4 Plates Hook, Incl 2 - 10

1шт.

2

47938452

INSTRUCTION

1шт.

3

47135563

SUPPORT

Front Ballast

1шт.

4

9843590

BOLT,Hex, M20 x 2.5 x 50mm, Cl 10.9, Full Thd

5шт.

5

11191774

BELLEVILLE WASHER,M20 Bolt Size x 38mm OD x 4.6mm Thk

5шт.

6

47135622

WEIGHT,48Kg

48Kg

1шт.

7

47135623

PLATE,25kg

25Kg

4шт.

8

47129331

TIE-ROD,M16 x 360mm L

M16 x 2 x 385mm

2шт.

9

11194274

BELLEVILLE WASHER,M16 Bolt Size x 32mm OD x 3.4mm Thk

10шт.

10

15504021

NUT,M16 x 1.5

Hex, M16 x 2, Cl 10, ZND

5шт.

Выбрано товаров: 10