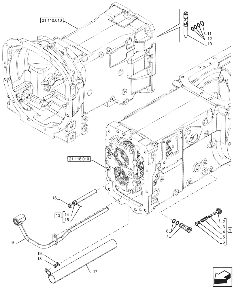
Запчасти Case IH FARMALL 110V (21.100.060) - VAR - 743381, 743508 - INTERNAL, TRANSMISSION LUBRICATION LINE (21) - TRANSMISSION

Схема запчастей Case IH FARMALL 110V - (21.100.060) - VAR - 743381, 743508 - INTERNAL, TRANSMISSION LUBRICATION LINE (21) - TRANSMISSION
21.110.010
7
4
9
18
13
19
12
2
14
15
8
11
16
17
1
5
6
3
10
21.118.010
FIT
1:1
100%

Артикул

Название

Примечание

Количество

1

5180935

VALVE

ASSY, Pressure Control, Incl 2 - 6

1шт.

2

5165488

HYD CONNECTOR,M18 x 1.5, 9 mm L

1шт.

3

5165484

VALVE

1шт.

4

5180927

SPRING,13.1mm x 38mm

1шт.

5

5165438

SHIM,9.1mm ID x 13.5mm OD x 2.5mm Thk

1шт.

6

5165486

CIRCLIP,9mm

1шт.

7

5177777

BANJO BOLT,M11 x 54mm

Lubrification

1шт.

8

14457180

O-RING,0.103" Thk x 0.549" ID, -113, Cl 5, 75 Duro

2шт.

9

5183732

RIGID TUBE

Lubrification

1шт.

10

5173802

HYD CONNECTOR,M10 x 1.25 x 119mm L

Lubrification

1шт.

11

11066676

SNAP RING,M18, Ext

1шт.

12

14453280

O-RING,0.07" Thk x 0.551" ID, -15, Cl 5, 75 Duro

3шт.

13

5186901

RIGID TUBE

ASSY, Transmission, Incl 14, 15

1шт.

14

NSS

NOT SOLD SEPARAT

Tube, Incl in 13

1шт.

15

14158770

LOCK PIN,M2 x 16, Slotted

1шт.

16

14328601

PLUG,M18, Tapered

1шт.

17

5185303

HYD TUBE

Transmission Internal Oil

1шт.

18

16100814

NUT,M8, Cl 8, DAC

1шт.

19

11193874

BELLEVILLE WASHER,M8 Bolt Size x 16mm OD x 1.4mm Thk

1шт.

Выбрано товаров: 19