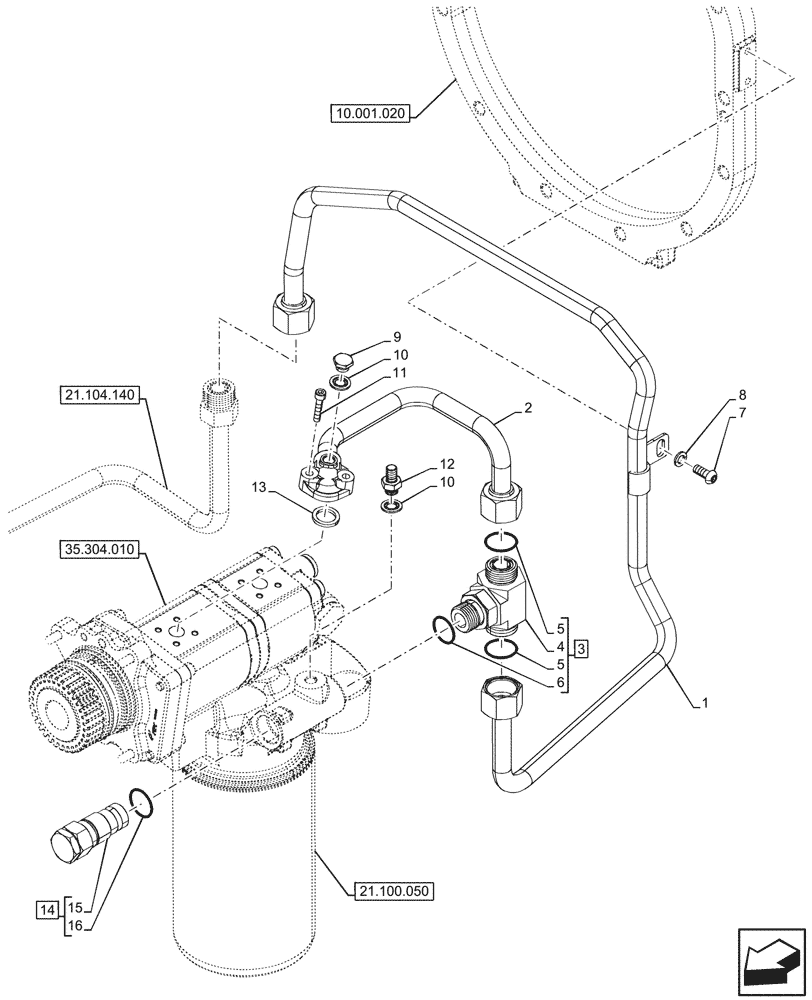
Запчасти Case IH FARMALL 110V (21.104.130) - VAR - 743915, 743970 - DELIVERY PIPE, STEERING LINE, W/O TRAILER BRAKE VALVE (21) - TRANSMISSION

Схема запчастей Case IH FARMALL 110V - (21.104.130) - VAR - 743915, 743970 - DELIVERY PIPE, STEERING LINE, W/O TRAILER BRAKE VALVE (21) - TRANSMISSION
35.304.010
11
9
13
6
10
12
2
14
16
5
15
5
1
7
4
10
21.104.140
10.001.020
3
8
21.100.050
FIT
1:1
100%

Артикул

Название

Примечание

Количество

1

47627030

PIPE

from Pump to Pilot Valve

1шт.

2

47461089

PIPE,18mm OD

Delivery Pipe

1шт.

3

86579712

TEE,M27 x 2 x 55.5mm

ASSY, Incl 4 - 6

1шт.

4

NSS

NOT SOLD SEPARAT

Tee, Incl in 3

1шт.

5

9991976

O-RING,0.07" Thk x 0.739" ID, -18, Cl 6, 90 Duro

2шт.

6

86598103

O-RING,2.9mm Thk x 23.6mm ID, Cl 6, 90 Duro

1шт.

7

87675525

SCREW,BTN HD, M8 x 1.25 x 20mm, Cl 12.9

1шт.

8

11198074

BELLEVILLE WASHER,M8 Bolt Size x 15mm OD x 1.8mm Thk

1шт.

9

10300511

PLUG,M12 x 1.5 x 12, Cl5.8

1шт.

10

5183780

SEALING WASHER,9.73mm ID x 18mm OD x 1.5mm Thk

2шт.

11

14305521

HEX SOC SCREW,M6 x 30mm, Cl 8.8, Full Thd

2шт.

12

84564689

SCREW,M10 x 1, M12 x 1.5 x 29mm L

1шт.

13

87335172

SEALING RING,19mm ID x 26mm OD x 3mm Thk

1шт.

14

5191767

HYDRAULIC VALVE,M28 x 1.5

ASSY, Incl 15, 16

1шт.

15

NSS

NOT SOLD SEPARAT

Valve, Incl in 14

1шт.

16

14453980

O-RING,0.07" Thk x 0.99" ID, -22, Cl 5, 75 Duro

1шт.

Выбрано товаров: 16