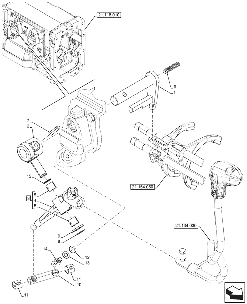
Запчасти Case IH FARMALL 110V (21.154.060) - VAR - 330111, 743548 - TRANSMISSION, INTERNAL, SHIFTER FORK, CONTROLS, POWERSHUTTLE (21) - TRANSMISSION

Схема запчастей Case IH FARMALL 110V - (21.154.060) - VAR - 330111, 743548 - TRANSMISSION, INTERNAL, SHIFTER FORK, CONTROLS, POWERSHUTTLE (21) - TRANSMISSION
21.118.010
12
15
11
8
2
3
10
4
13
7
6
9
5
11
5
1
21.154.050
14
21.134.030
FIT
1:1
100%

Артикул

Название

Примечание

Количество

1

5177007

ROD,89mm L

Control Gear

1шт.

2

5168293

HUB

1шт.

3

87319888

LEVER

ASSY, Incl 4, 5

1шт.

4

NSS

NOT SOLD SEPARAT

Lever, Incl in 3

1шт.

5

5165609

BUSHING,16.04mm ID x 18mm OD x 15mm L

2шт.

6

5157487

SPRING,9.5mm OD x 44mm L

1шт.

7

14607370

ROLL PIN,M8 x 45, Slotted

1шт.

8

10520207

WASHER,M16 x 28 x 3

1шт.

9

11066476

SNAP RING,M16, Ext

1шт.

10

5168295

TIE-ROD,2x13mm ID x 16mm OD x 70mm L

1шт.

11

10125576

CLIP

2шт.

12

11193879

BELLEVILLE WASHER,M8 Bolt Size x 16mm OD x 1.4mm Thk

1шт.

13

11193874

BELLEVILLE WASHER,M8 Bolt Size x 16mm OD x 1.4mm Thk

1шт.

14

5166895

BALL STUD,M8

1шт.

15

14453380

O-RING,0.07" Thk x 0.614" ID, -16, Cl 5, 75 Duro

2шт.

Выбрано товаров: 0