Запчасти Case IH FARMALL 110V (21.154.140) - VAR - 330273 - TRANSMISSION, INTERNAL, SHIFTER FORK, CONTROLS, HI-LO (21) - TRANSMISSION

Схема запчастей Case IH FARMALL 110V - (21.154.140) - VAR - 330273 - TRANSMISSION, INTERNAL, SHIFTER FORK, CONTROLS, HI-LO (21) - TRANSMISSION
21.134.100
12
15
8
2
8
8
11
17
6
16
9
3
10
20
11
11
5
8
4
10
18
10
1
7
13
14
19
12
21.154.100
8
12
21.154.090
21.154.080
21.154.110
55.513.070
FIT
1:1
100%

Артикул

Название

Примечание

Количество

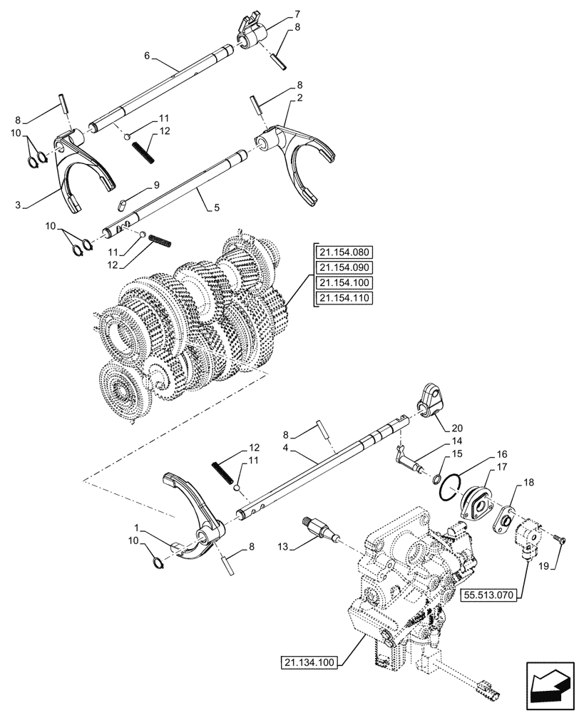
1

47125919

YOKE,16mm Hole Dia

Control Reverse Fork

1шт.

2

5171985

SHIFTER FORK,96mm OD x 8mm Thk

I and II Speed

1шт.

3

5171991

SHIFTER FORK,96mm OD x 8mm Thk

III and IV Speed

1шт.

4

87523035

ROD,16mm OD x 358.5mm L

Inverter

1шт.

5

5177302

ROD,15.5mm OD x 299mm L

1шт.

6

5177303

ROD,15.5mm OD x 299mm L

1шт.

7

5172005

DOG

1шт.

8

13942570

ROLL PIN,M6 x 30mm

5шт.

9

5149882

PAWL,8.5mm D x 23mm L

1шт.

10

11066476

SNAP RING,M16, Ext

3шт.

11

20063390

BALL,8.73mm OD

3шт.

12

5168268

SPRING,Compression, 8mm OD x 42mm L

3шт.

13

5168372

PROP

Reverser Control

1шт.

14

87523036

SHAFT,11.9mm OD x 42.5mm L

1шт.

15

14456980

O-RING,10.77mm ID x 2.62mm

1шт.

16

14454780

O-RING,1.614" ID x 0.07" Width

1шт.

17

87523038

PLATE

1шт.

18

5178541

PLATE

1шт.

19

13274224

SCREW,Pozidriv Pan Hd, M5 x 16mm, Cl 8.8, Full Thd

2шт.

20

5168371

DOG

1шт.

Выбрано товаров: 0