Запчасти Case IH FARMALL 110V (25.000.00[01]) - SECTION INDEX - FRONT AXLE SYSTEM (25) - FRONT AXLE SYSTEM

Схема запчастей Case IH FARMALL 110V - (25.000.00[01]) - SECTION INDEX - FRONT AXLE SYSTEM (25) - FRONT AXLE SYSTEM
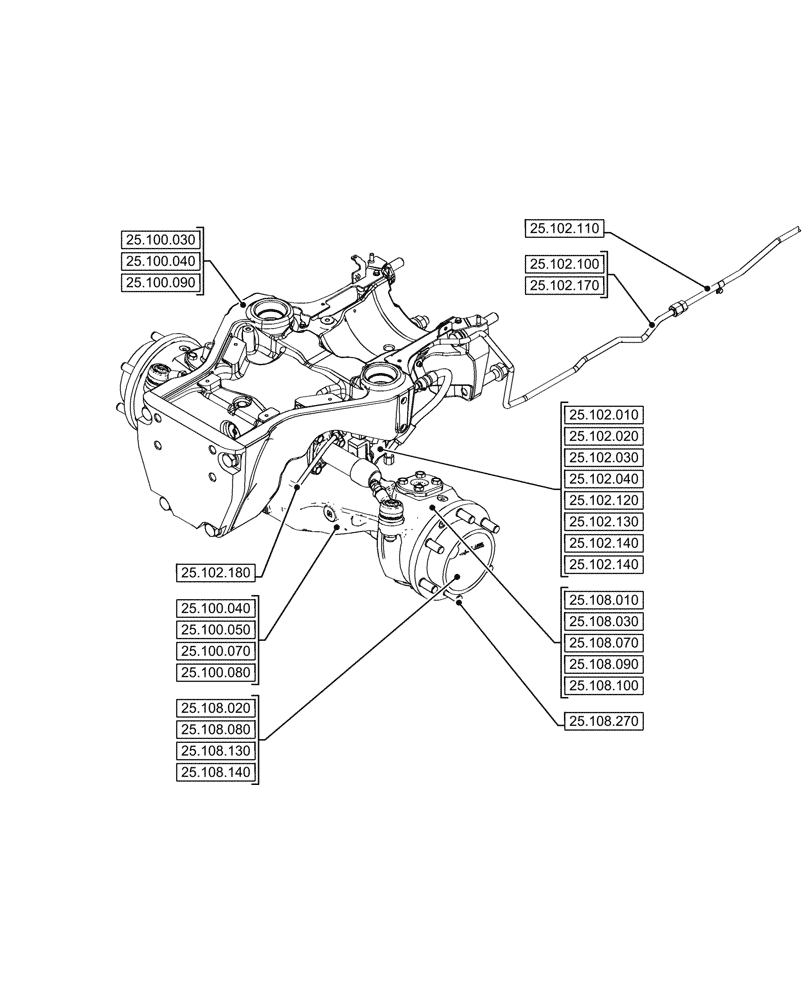
25.100.050
25.102.120
25.108.030
25.102.110
25.102.040
25.102.180
25.102.140
25.102.140
25.108.270
25.102.130
25.102.020
25.108.090
25.108.080
25.108.020
25.100.070
25.102.100
25.100.030
25.102.030
25.100.090
25.100.080
25.102.170
25.108.070
25.100.040
25.100.040
25.108.010
25.108.100
25.102.010
25.108.130
25.108.140
FIT
1:1
100%