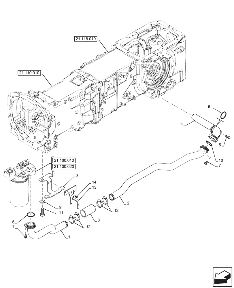
Запчасти Case IH FARMALL 110V (21.100.040) - VAR - 342266, 342267, 759011 - TRANSMISSION OIL, SUCTION PIPE, 80L/MIN, CAB (21) - TRANSMISSION

Схема запчастей Case IH FARMALL 110V - (21.100.040) - VAR - 342266, 342267, 759011 - TRANSMISSION OIL, SUCTION PIPE, 80L/MIN, CAB (21) - TRANSMISSION
21.110.010
5
4
13
8
12
2
6
6
9
1
3
12
7
14
11
10
7
21.100.010
21.118.010
21.100.020
FIT
1:1
100%

Артикул

Название

Примечание

Количество

1

47464750

PIPE

Front Suction

1шт.

2

47464699

PIPE

Rear Suction

1шт.

3

47950426

BRACKET

1шт.

4

47464684

SUCTION PIPE

1шт.

5

16043721

SCREW,Hex, M8 x 1.25 x 28mm, Cl 8.8, Full Thd

1шт.

6

14464580

O-RING,0.139" Thk x 2.109" ID, -227, Cl 5, 75 Duro

2шт.

7

16043224

BOLT,Hex, M8 x 16mm, Cl 8.8

2шт.

8

84389530

SLEEVE,48mm ID x 58mm OD x 10mm L

1шт.

9

11191674

BELLEVILLE WASHER,M18 Bolt Size x 36mm OD x 4.2mm Thk

1шт.

10

14464480

O-RING,0.139" Thk x 1.984" ID, -226, Cl 5, 75 Duro

1шт.

11

15984124

SCREW,Hex, M18 x 1.5 x 45mm, Cl 8.8, Full Thd

1шт.

12

13000790

HOSE CLAMP,40mm - 60mm, Worm Gear

4шт.

13

47950427

BRACKET

1шт.

14

86050272

BOLT,M6 x 1 x 18.6mm OAL, Cl 8.8, Full Thd

2шт.

Выбрано товаров: 14