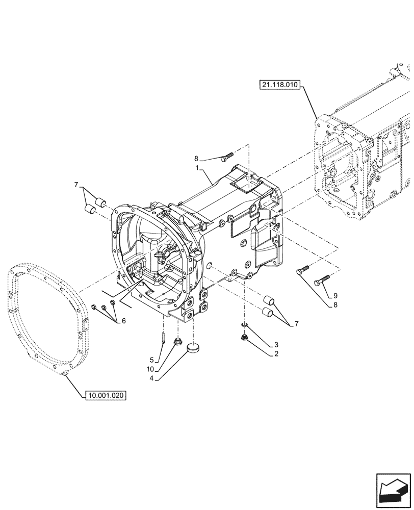
Запчасти Case IH FARMALL 110V (21.110.010) - CLUTCH, HOUSING, SHUTTLE (21) - TRANSMISSION

Схема запчастей Case IH FARMALL 110V - (21.110.010) - CLUTCH, HOUSING, SHUTTLE (21) - TRANSMISSION
10.001.020
8
1
7
6
9
5
10
3
7
8
2
4
21.118.010
FIT
1:1
100%

Артикул

Название

Примечание

Количество

1

47372845

TRANSMISSION HOUSING

Front

1шт.

2

10300711

PLUG,M16 x 1.5 x 14, Cl5.8

1шт.

3

10257060

SEALING WASHER,16.3mm ID x 22mm OD x 1.5mm Thk

1шт.

4

14329401

PLUG,M45, Tapered

1шт.

5

10798204

COTTER PIN,M6.3 x 32

1шт.

6

14328601

PLUG,M18, Tapered

3шт.

7

5133142

BUSHING,24.05mm ID x 27mm OD x 30mm L

4шт.

8

15540734

BOLT,Hex, M12 x 1.25 x 45mm, Cl 10.9

11шт.

9

15541034

BOLT,Hex, M12 x 1.25 x 60mm, Cl 10.9

1шт.

10

10300811

PLUG,M18 x 1.5 x 14, Cl5.8

1шт.

Выбрано товаров: 10