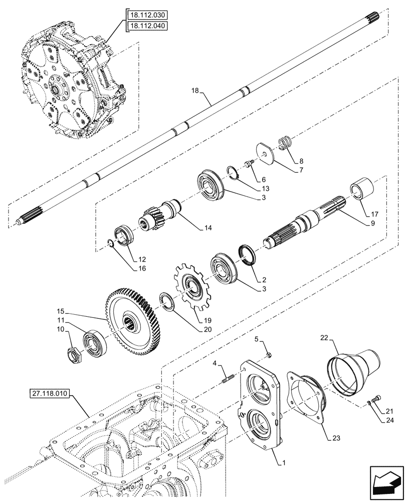
Запчасти Case IH FARMALL 110V (31.110.040) - VAR - 758929 - PTO 540 RPM, SHAFT, TRANSMISSION, GEAR (31) - IMPLEMENT POWER TAKE OFF

Схема запчастей Case IH FARMALL 110V - (31.110.040) - VAR - 758929 - PTO 540 RPM, SHAFT, TRANSMISSION, GEAR (31) - IMPLEMENT POWER TAKE OFF
18.112.040
14
7
19
18
15
21
9
24
13
20
2
10
4
27.118.010
3
6
23
8
16
5
3
1
22
12
17
11
18.112.030
FIT
1:1
100%

Артикул

Название

Примечание

Количество

1

47133661

COVER

1шт.

2

5124606

SEAL,50mm ID x 65mm OD x 8mm Thk

1шт.

3

5168238

BALL BEARING,40mm ID x 90mm OD x 23mm W

2шт.

4

16746824

STUD

6шт.

5

16100811

NUT,Hex, M8, 6.80mm, Cl 8, ZND

6шт.

6

47130774

PIN,13.5mm OD x 22mm L

1шт.

7

47131175

BRAKE DISC,14mm ID x 70mm OD x 4mm Thk

1шт.

8

47132279

SPRING,Compression, 33mm OD x 29mm L

1шт.

9

5180296

SHAFT,M32 x 1.5 x 264.5mm L, 12T

265.5mm, Z 12

1шт.

10

5122985

NUT,Ring, M32, 1.5 Pitch

1шт.

11

47128681

BUSHING,35mm ID x 81mm OD x 21.0mm L

1шт.

12

5173210

NEEDLE BEARING,Needle, 43mm ID x 58mm OD x 22mm W

1шт.

13

370006

SNAP RING,M40, Ext

1шт.

14

47798638

SHAFT,138mm

138mm, Z 10

1шт.

15

84479202

GEAR,12/58T

Z 58

1шт.

16

11058076

SNAP RING,M22, Int

1шт.

17

5175203

SPACER,38mm ID x 52mm OD x 46mm L

1шт.

18

47451312

SHAFT,1496mm L, 10T

1477mm

1шт.

19

87302766

DISC,38.1mm ID x 152mm OD x 1.5mm Thk

1шт.

20

87341678

THRUST WASHER,38.1mm ID x 58mm OD x 2.5mm Thk

1шт.

21

14306324

HEX SOC SCREW,M8 x 1.25 x 20mm, Cl 8.8, Full Thd

4шт.

22

5171520

SHIELD,132mm L

1шт.

23

5155332

SEAL PROTECTION,115mm ID x 122mm OD x 29mm Thk

1шт.

24

83990583

LOCK WASHER,M8 x 14.8mm OD x 2.1mm Thk

4шт.

Выбрано товаров: 24