Запчасти Case IH FARMALL 110V (35.100.020) - VAR - 342252, 342254, 342349, 342354, 743915, 743970 - HYDRAULIC LIFT, LINE, W/O MID MOUNT VALVES (35) - HYDRAULIC SYSTEMS

Схема запчастей Case IH FARMALL 110V - (35.100.020) - VAR - 342252, 342254, 342349, 342354, 743915, 743970 - HYDRAULIC LIFT, LINE, W/O MID MOUNT VALVES (35) - HYDRAULIC SYSTEMS
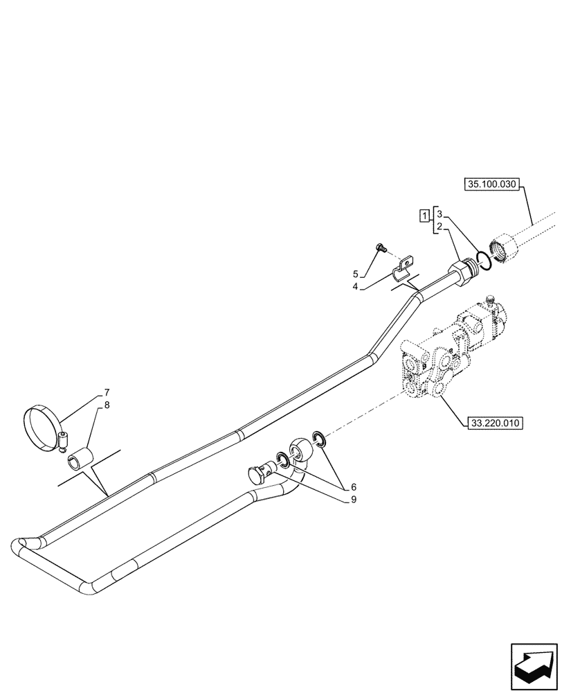
33.220.010
3
6
7
8
5
9
4
2
1
35.100.030
FIT
1:1
100%

Артикул

Название

Примечание

Количество

1

47954748

PIPE

ASSY, Forward Delivery, Incl 2, 3

1шт.

2

NSS

NOT SOLD SEPARAT

Pipe, Incl in 1

1шт.

3

81825117

O-RING,0.07" Thk x 0.739" ID, -18, Cl 6, 90 Duro

1шт.

4

5193286

BRACKET

1шт.

5

86050272

BOLT,M6 x 1 x 18.6mm OAL, Cl 8.8, Full Thd

1шт.

6

5186176

SEALING WASHER,15.80mm ID x 26.92mm OD x 1.50mm, Steel, Zinc

2шт.

7

87040758

HOSE CLAMP,71.4mm - 95.2mm

1шт.

8

4959735

SPACER,18mm ID x 25mm OD x 30mm L

1шт.

9

5184345

BANJO BOLT,M18 x 1.5 x 34mm

1шт.

Выбрано товаров: 9