Запчасти Case IH FARMALL 110V (35.114.020) - VAR - 342377, 342378, 342379, 342380, 342381, 744833, 759013 - REAR, HYDRAULIC LIFT, CONTROL VALVE, COMPONENTS (35) - HYDRAULIC SYSTEMS

Схема запчастей Case IH FARMALL 110V - (35.114.020) - VAR - 342377, 342378, 342379, 342380, 342381, 744833, 759013 - REAR, HYDRAULIC LIFT, CONTROL VALVE, COMPONENTS (35) - HYDRAULIC SYSTEMS
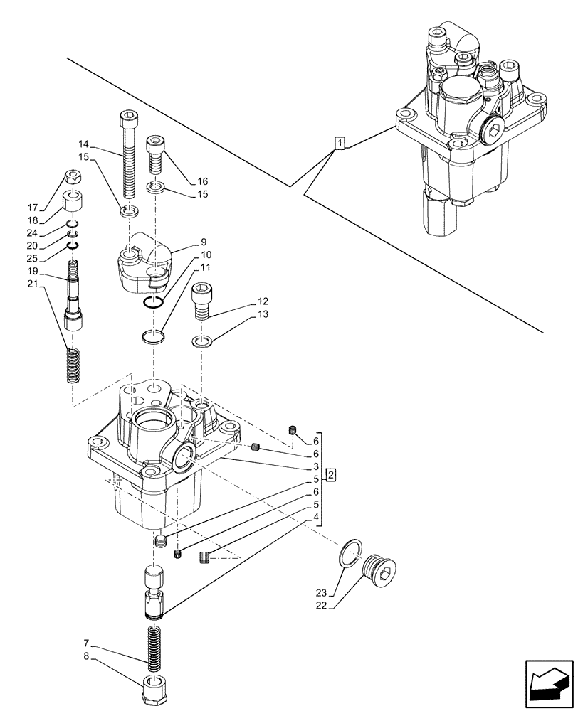
21
6
19
20
15
14
2
23
3
16
24
15
13
6
11
7
1
5
12
17
9
18
4
10
6
8
5
25
22
FIT
1:1
100%

Артикул

Название

Примечание

Количество

1

84277583

CONTROL VALVE

ASSY, Incl 2 - 25

1шт.

See also Control Valve Components in Figure 35.114.030

1шт.

1

84277583R

REMAN-HYD VALVE

Reman Control Valve ASSY, Incl 2 - 25

1шт.

1

84277583C

CORE-VALVE HYD

Return Number

1шт.

2

5170596

BODY

ASSY, Incl 3 - 6

1шт.

3

NSS

NOT SOLD SEPARAT

Control Valve Body, Incl in 2

1шт.

4

5117727

SPOOL,16mm OD x 50mm L

1шт.

5

5162458

PLUG,M10 x 1.25

2шт.

6

13806421

SET SCREW,Hex Soc, M6 x 8mm

3шт.

7

5117729

SPRING,Compression, 11mm OD x 44mm L

1шт.

8

5117734

PLUG,M20 x 1.5

1шт.

9

5173913

HYD CONNECTOR,M18 x 1.5

1шт.

10

14457181

O-RING,0.103" Thk x 0.549" ID, -113, Cl 5, 75 Duro

2шт.

11

44015841

BACK-UP RING,19mm ID x 20mm OD x 2.05mm Thk

1шт.

12

14360524

HEX SOC SCREW,M12 x 1.25 x 20mm, Cl 8.8, Full Thd

1шт.

13

10296160

SEALING WASHER,M12.2 x 18 x 1, Copper

1шт.

14

14308424

SCREW,M10 x 1.25 x 80mm L

1шт.

15

10569474

LOCK WASHER,10.2mm ID x 16mm ID x 2.5mm Thk

2шт.

16

14307421

HEX SOC SCREW,M10 x 1.25 x 25mm, Cl 8.8

1шт.

17

16100814

NUT,M8, Cl 8, DAC

1шт.

18

5170590

SPACER,12mm ID x 17mm OD x 12mm L

1шт.

19

5170591

PIN,16mm OD x 72mm L

1шт.

20

5120771

WASHER,6.73mm ID x 9.43mm OD x 1.14mm Thk

1шт.

21

5155844

SPRING,Compression, 11mm OD x 34mm L

1шт.

22

10275014

PLUG,Hex, M22 x 1.5, Cl 5.8

1шт.

23

10279560

SEALING WASHER,22.3mm ID x 28mm OD x 1mm Thk

1шт.

24

13397476

SNAP RING,M10.8, Int

1шт.

25

5120772

O-RING,1.78mm Thk x 6.75mm ID, 85 Duro

1шт.

Выбрано товаров: 28