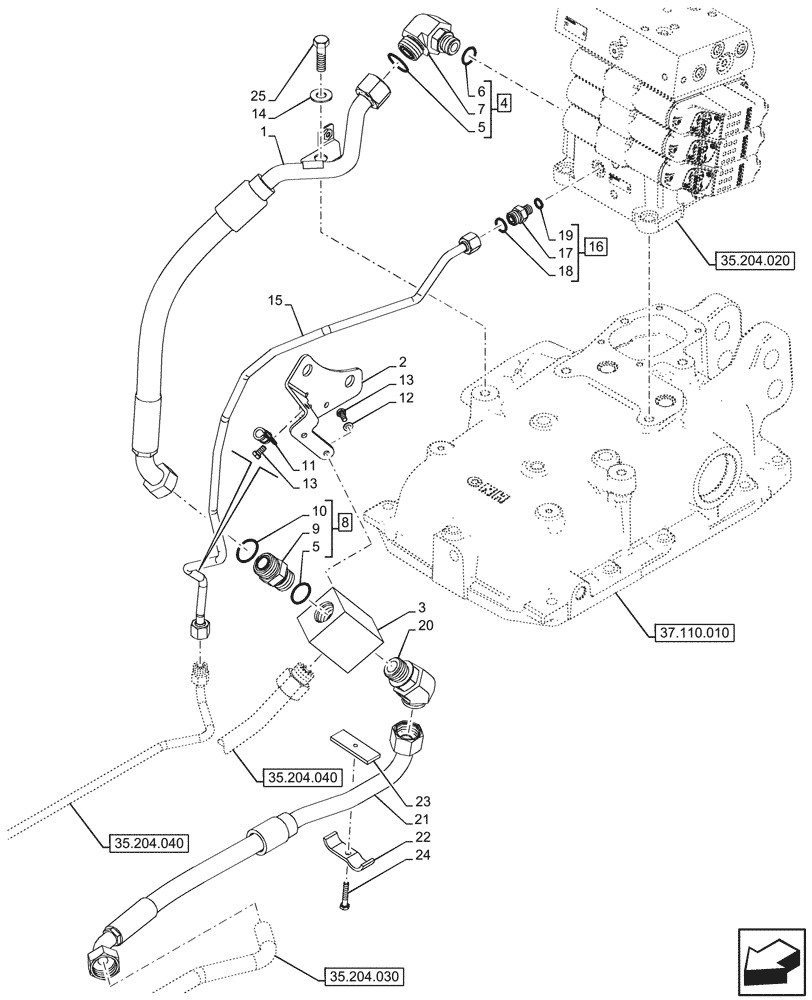
Запчасти Case IH FARMALL 110V (35.204.010) - VAR - 759011 - REMOTE CONTROL VALVE, RETURN LINE, CAB (35) - HYDRAULIC SYSTEMS

Схема запчастей Case IH FARMALL 110V - (35.204.010) - VAR - 759011 - REMOTE CONTROL VALVE, RETURN LINE, CAB (35) - HYDRAULIC SYSTEMS
37.110.010
3
21
9
16
5
15
23
22
25
4
11
17
8
13
10
2
7
19
18
5
20
14
6
1
13
24
12
35.204.030
35.204.040
35.204.040
35.204.020
FIT
1:1
100%

Артикул

Название

Примечание

Количество

1

47647299

PIPE

from T Connector to Remote Valve

1шт.

2

47676583

BRACKET

1шт.

3

47663312

BLOCK

1шт.

4

86579695

90 ELBOW,90 Degree, 1-3/16"-12 ORFS x M22 x 1.5 ORB

ASSY, Incl 5 (QTY 1), 6, 7

1шт.

5

9991976

O-RING,0.07" Thk x 0.739" ID, -18, Cl 6, 90 Duro

2шт.

6

86598102

O-RING,2.2mm Thk x 19.3mm ID, Cl 6, 90 Duro

1шт.

7

NSS

NOT SOLD SEPARAT

Elbow 90°, Incl in 4

1шт.

8

86579682

HYD CONNECTOR,1-3/16" - 12 ORFS x M27 x 2 ORB

ASSY, Incl 5 (QTY 1), 9, 10

1шт.

9

NSS

NOT SOLD SEPARAT

Connector, Incl in 8

1шт.

10

86598103

O-RING,2.9mm Thk x 23.6mm ID, Cl 6, 90 Duro

1шт.

11

10418501

BRACKET,10mm, Coat, 7mm Bolt Hole, P Type

1шт.

12

11194379

BELLEVILLE WASHER,M6 Bolt Size x 12mm OD

4шт.

13

86977726

BOLT,Hex, M6 x 12mm, Cl 8.8

3шт.

14

140046

BELLEVILLE WASHER,M12 Bolt Size x 27mm OD x 1.8mm Thk

1шт.

15

47671903

PIPE

from Remote Valve to Ls Line

1шт.

16

86580177

HYD CONNECTOR,11/16"-16 ORFS x M12 x 1.5 ORB

ASSY, Incl 17 - 19

1шт.

17

NSS

NOT SOLD SEPARAT

Connector, Incl in 16

1шт.

18

86598098

O-RING,2.2mm Thk x 9.3mm ID, Cl 6, 90 Duro

1шт.

19

9993141

O-RING,0.07" Thk x 0.364" ID, -12, Cl 6, 90 Duro

1шт.

20

86639055

45 ELBOW,45 Degree, 1 3/16"-12 ORFS x M27 x 2 ORB

1шт.

21

47806223

PIPE

from Delivery Line to T Connector

1шт.

22

84591661

BRACKET

1шт.

23

5179404

SUPPORT

1шт.

24

15212521

BOLT,Hex, M6 x 35mm, Cl 8.8, Full Thd

1шт.

25

15540321

SCREW,Hex, M12 x 1.25 x 25mm, Cl 8.8, Full Thd

1шт.

Выбрано товаров: 25