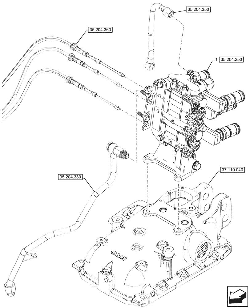
Запчасти Case IH FARMALL 110V (35.204.240) - VAR - 341794, 759023 - 3 REMOTE CONTROL VALVES, MOUNTING (MDC) (35) - HYDRAULIC SYSTEMS

Схема запчастей Case IH FARMALL 110V - (35.204.240) - VAR - 341794, 759023 - 3 REMOTE CONTROL VALVES, MOUNTING (MDC) (35) - HYDRAULIC SYSTEMS
35.204.360
1
37.110.040
35.204.350
35.204.250
35.204.330
FIT
1:1
100%

Артикул

Название

Примечание

Количество

1

48032904

DISTRIBUTOR

3 Remotes MDC W/O Diverter, ASSY

1шт.

Выбрано товаров: 1