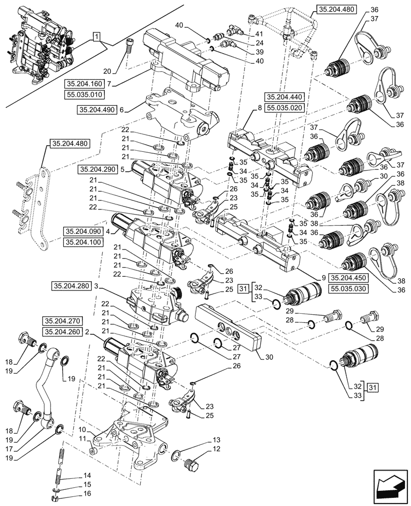
Запчасти Case IH FARMALL 110V (35.204.470) - VAR - 759024 - 3 REMOTE CONTROL VALVES, W/ DIVERTER, COMPONENTS (EDC), CAB (35) - HYDRAULIC SYSTEMS

Схема запчастей Case IH FARMALL 110V - (35.204.470) - VAR - 759024 - 3 REMOTE CONTROL VALVES, W/ DIVERTER, COMPONENTS (EDC), CAB (35) - HYDRAULIC SYSTEMS
35.204.270
21
25
21
35
21
30
21
13
22
19
34
32
40
29
30
12
14
34
18
16
21
21
36
27
37
7
35
27
11
38
35
36
21
29
33
8
38
21
21
25
17
20
36
35
34
31
21
36
26
31
23
22
36
2
23
36
10
22
36
21
33
28
19
18
35
40
24
1
19
22
26
25
36
23
21
41
37
35
28
22
26
3
21
4
9
39
37
15
35
38
35
37
5
21
6
34
32
21
19
35.204.100
35.204.490
35.204.290
35.204.090
55.035.030
35.204.450
55.035.010
35.204.480
35.204.480
35.204.440
35.204.160
35.204.260
35.204.280
55.035.020
FIT
1:1
100%

Артикул

Название

Примечание

Количество

1

48031774

DISTRIBUTOR

ASSY, 3 Remotes EDC W/ Diverter, Incl 2 - 41

1шт.

See also 3 Remotes EDC W/ Diverter Valve Components in Figure 35.204.480

1шт.

2

84406708

DISTRIBUTOR

S/D Effect & Kick Out, ASSY

1шт.

3

87397107

CONTROL VALVE

Flow, ASSY

1шт.

4

84406706

REMOTE CONTROL VALVE

ASSY

1шт.

5

47389206

DISTRIBUTOR

W/Float, ASSY

1шт.

6

87396843

CONTROL VALVE

Exit Side Section, ASSY

1шт.

7

82011395

HYDRAULIC VALVE

Draft, ASSY

1шт.

8

47131020

BODY

Manifold, ASSY

1шт.

9

47131021

BODY

Diverter, ASSY

1шт.

10

5176480

FLANGE

1шт.

11

48054702

PLUG,Hex socket, M16 x 1.5

M16 x 1.5 x 11mm

1шт.

12

10305911

PLUG,M22 x 1.5 x 27

1шт.

13

NSS

NOT SOLD SEPARAT

Seal, Incl in 1

1шт.

14

5151505

THREADED ROD,3/8" - 24 x 8-1/4"

3шт.

15

12648304

WASHER,10.2mm ID x 17mm OD x 1.5mm Thk

3шт.

16

5116857

NUT,3/8" - 24

3шт.

17

5188501

RIGID TUBE

Delivery Pipe to EDC

1шт.

18

5184345

BANJO BOLT,M18 x 1.5 x 34mm

2шт.

19

5186176

SEALING WASHER,15.80mm ID x 26.92mm OD x 1.50mm, Steel, Zinc

4шт.

20

81864028

HEX SOC SCREW,7/16" - 14 x 1", Gr 8

4шт.

21

87335172

SEALING RING,19mm ID x 26mm OD x 3mm Thk

15шт.

22

87357854

SEALING RING,15.5mm ID x 19.5mm OD x 2mm Thk

5шт.

23

47529977

CONTROL LEVER

3шт.

24

82002503

HYD CONNECTOR,1/2-20 UNF-2A, 7/16-20 UNF-2A, 31.2mm L

1шт.

25

5172456

PIN,6mm OD x 20mm L

3шт.

26

11087776

CIRCLIP,Ext., M6, BLO

3шт.

27

86977728

O-RING,0.103" Thk x 0.75" ID, -116, Cl 5, 75 Duro

2шт.

28

14437985

O-RING,15.3mm ID x 2.4mm

2шт.

29

5168481

BANJO BOLT,M18 x 1.5 x 38mm

2шт.

30

5185533

HYD CONNECTOR

1шт.

31

5179558

COUPLING, QUICK, FEM,Hex, M22 x 1.5 x 110.8mm L

ASSY, Incl 32, 33 (Qty 1)

2шт.

32

NSS

NOT SOLD SEPARAT

Coupling, Incl in 31

2шт.

33

14438085

O-RING,19.3mm ID x 2.4mm

2шт.

34

5190887

HYD CONNECTOR,19.5mm L

4шт.

35

5190853

O-RING,0.103" Thk x 0.206" ID, -107, Cl 5, 70 Duro

8шт.

36

5179556

COUPLING, QUICK, FEM,Hex, M18 x 1.5 x 63.3mm L

8шт.

37

5179578

PLUG,24mm, Brown

Brown

4шт.

38

5179577

PLUG,24mm, Blu

Blue

4шт.

39

83934423

90 ELBOW,7/16"-20, 37° x 7/16"-20, O-Ring

1шт.

40

165202

O-RING,0.072" Thk x 0.351" ID, -904, Cl 6, 90 Duro

2шт.

41

5175162

HYD CONNECTOR,1/2-20 UNF

1шт.

Выбрано товаров: 42