Запчасти Case IH FARMALL 110V (35.204.480) - VAR - 759024 - 3 REMOTE CONTROL VALVES, W/ DIVERTER, COMPONENTS (EDC), CAB (35) - HYDRAULIC SYSTEMS

Схема запчастей Case IH FARMALL 110V - (35.204.480) - VAR - 759024 - 3 REMOTE CONTROL VALVES, W/ DIVERTER, COMPONENTS (EDC), CAB (35) - HYDRAULIC SYSTEMS
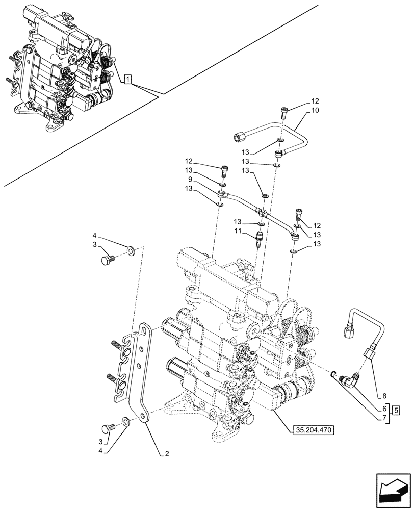
35.204.470
13
13
6
12
13
8
4
4
3
12
13
5
11
1
12
2
13
13
10
9
3
13
13
7
FIT
1:1
100%

Артикул

Название

Примечание

Количество

1

48031774

DISTRIBUTOR

ASSY, 3 Remotes EDC W/ Diverter, Incl 2 -14

1шт.

See also 3 Remotes EDC W/ Diverter Valve Components in Figure 35.204.470

1шт.

2

48031772

BRACKET

1шт.

3

15970524

BOLT,Hex, M10 x 1.25 x 20mm, Cl 8.8, Full Thd

2шт.

4

11190574

BELLEVILLE WASHER,M10 Bolt Size x 20mm OD x 2.3mm Thk

2шт.

5

87616449

HYD CONNECTOR

ASSY, Incl 6, 7

1шт.

6

NSS

NOT SOLD SEPARAT

Elbow, Incl in 5

1шт.

7

14437685

O-RING,9.30mm ID x 2.40mm

1шт.

8

5179217

RIGID TUBE

1шт.

9

5175122

RIGID TUBE

1шт.

10

5175120

RIGID TUBE

1шт.

11

5179004

HYD CONNECTOR,M8 x 1.5 x 36mm L

1шт.

12

5175070

BANJO BOLT,M8 x 1.25 x 24mm

3шт.

13

10260060

SEALING WASHER,8.2mm ID x 14mm OD x 1mm Thk

8шт.

Выбрано товаров: 14