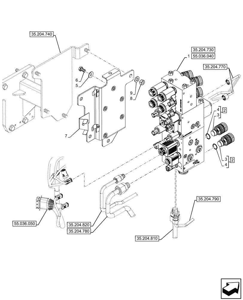
Запчасти Case IH FARMALL 110V (35.204.720) - VAR - 743970 - MID-MOUNT CONTROL VALVE, W/ HYDRAULIC STABILIZERS, CAB (35) - HYDRAULIC SYSTEMS

Схема запчастей Case IH FARMALL 110V - (35.204.720) - VAR - 743970 - MID-MOUNT CONTROL VALVE, W/ HYDRAULIC STABILIZERS, CAB (35) - HYDRAULIC SYSTEMS
35.204.740
7
4
9
8
5
4
3
3
2
1
6
2
35.204.770
35.204.780
35.204.730
55.036.050
35.204.810
55.036.040
35.204.790
35.204.820
35.204.740
FIT
1:1
100%

Артикул

Название

Примечание

Количество

1

47743675

CONTROL VALVE

ASSY

1шт.

2

5179557

COUPLING, QUICK, FEM

ASSY, Incl 3, 4

2шт.

3

NSS

NOT SOLD SEPARAT

Coupling, Incl in 2

1шт.

4

14438085

O-RING,19.3mm ID x 2.4mm

1шт.

5

12646801

WASHER,10.2mm ID x 25mm OD x 2mm Thk

5шт.

6

11106024

BOLT,Hex, M10 x 20, 8.8, Full Thd

5шт.

7

47884408

SUPPORT

1шт.

8

16101511

NUT,M12 x 1.25, Cl 8

4шт.

9

11198674

BELLEVILLE WASHER,M12 Bolt Size x 24mm OD x 3.2mm Thk

4шт.

Выбрано товаров: 9