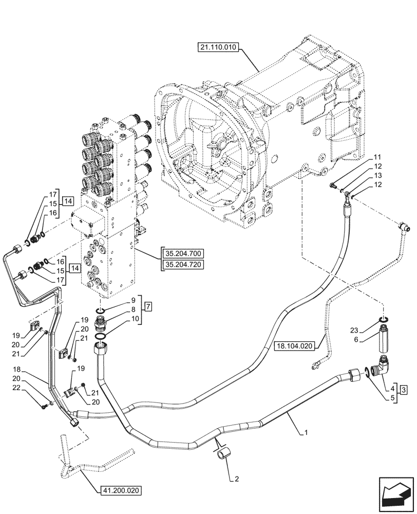
Запчасти Case IH FARMALL 110V (35.204.770) - VAR - 743970 - MID-MOUNT CONTROL VALVE, LINES, W/ 10 COUPLERS, CAB (35) - HYDRAULIC SYSTEMS

Схема запчастей Case IH FARMALL 110V - (35.204.770) - VAR - 743970 - MID-MOUNT CONTROL VALVE, LINES, W/ 10 COUPLERS, CAB (35) - HYDRAULIC SYSTEMS
41.200.020
20
23
15
14
19
1
7
14
21
3
8
21
21
6
13
17
12
16
17
18
20
10
5
2
4
11
16
9
19
15
20
20
19
12
22
18.104.020
35.204.720
35.204.700
21.110.010
FIT
1:1
100%

Артикул

Название

Примечание

Количество

1

47915636

PIPE

Return/Discharge from MMV

1шт.

2

84417269

SPACER

1шт.

3

47597094

90 ELBOW

ASSY, Incl 4, 5

1шт.

4

NSS

NOT SOLD SEPARAT

Elbow, Incl in 3

1шт.

5

9991976

O-RING,0.07" Thk x 0.739" ID, -18, Cl 6, 90 Duro

1шт.

6

47914502

SPACER,Hex, M18 x 1.5 x 95.5mm L

1шт.

7

86579681

HYD CONNECTOR,1-3/16"-12 ORFS x M22 x 1.5 ORB

ASSY, Incl 8 - 10

1шт.

8

NSS

NOT SOLD SEPARAT

Connector, Incl in 3

1шт.

9

86598102

O-RING,2.2mm Thk x 19.3mm ID, Cl 6, 90 Duro

1шт.

10

9991976

O-RING,0.07" Thk x 0.739" ID, -18, Cl 6, 90 Duro

1шт.

11

11904011

BANJO BOLT,M8 x 1 x 16mm

1шт.

12

14330260

SEALING WASHER,M8.2 x 12 x 1

2шт.

13

47883769

PIPE

Return MMV Drain

1шт.

14

86580177

HYD CONNECTOR,11/16"-16 ORFS x M12 x 1.5 ORB

ASSY, Incl 15 - 17

2шт.

15

NSS

NOT SOLD SEPARAT

Connector, Incl in 14

1шт.

16

86598098

O-RING,2.2mm Thk x 9.3mm ID, Cl 6, 90 Duro

1шт.

17

9993141

O-RING,0.07" Thk x 0.364" ID, -12, Cl 6, 90 Duro

1шт.

18

47883767

PIPE

Pressure MMV Pilot

1шт.

19

84549394

BLOCK

3шт.

20

14496401

WASHER,M6.4 x 12.00mm x 1.60mm

4шт.

21

10720111

NUT,M6, Cl 8

3шт.

22

10902521

SCREW,Hex, M6 x 22mm, Cl 8.8, Full Thd

1шт.

23

87665417

SEAL,18.1mm ID x 28mm OD x 2.5mm Thk

1шт.

Выбрано товаров: 23