Запчасти Case IH FARMALL 110V (35.204.780) - VAR - 743970 - MID-MOUNT CONTROL VALVE, LINES, W/ 10 COUPLERS, CAB (35) - HYDRAULIC SYSTEMS

Схема запчастей Case IH FARMALL 110V - (35.204.780) - VAR - 743970 - MID-MOUNT CONTROL VALVE, LINES, W/ 10 COUPLERS, CAB (35) - HYDRAULIC SYSTEMS
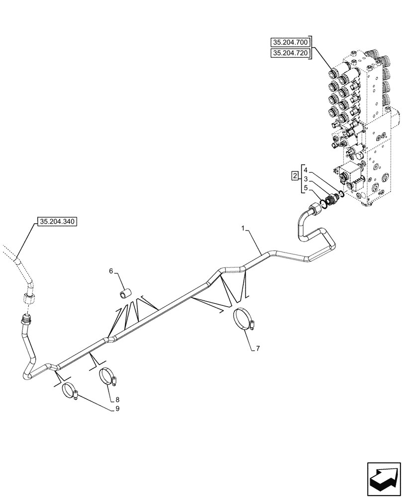
35.204.340
8
6
1
9
3
4
7
2
5
35.204.720
35.204.700
FIT
1:1
100%

Артикул

Название

Примечание

Количество

1

47448093

PRESSURE PIPE

Delivery from MMV to Lift

1шт.

2

86579681

HYD CONNECTOR,1-3/16"-12 ORFS x M22 x 1.5 ORB

ASSY, Incl 3 - 5

1шт.

3

NSS

NOT SOLD SEPARAT

Connector, Incl in 2

1шт.

4

86598102

O-RING,2.2mm Thk x 19.3mm ID, Cl 6, 90 Duro

1шт.

5

9991976

O-RING,0.07" Thk x 0.739" ID, -18, Cl 6, 90 Duro

1шт.

6

4959735

SPACER,18mm ID x 25mm OD x 30mm L

4шт.

7

86625033

HOSE CLAMP,77.7mm - 101.6mm, Worm Gear

3шт.

8

86050197

HOSE CLAMP,58.6mm - 82.5mm, Worm Gear

1шт.

9

87016722

HOSE CLAMP,#40, 2.06/3.00 Type F Worm, W/liner

1шт.

Выбрано товаров: 9