Запчасти Case IH FARMALL 110V (35.204.800) - VAR - 743970 - MID-MOUNT CONTROL VALVE, LINES, W/ 10 COUPLERS, W/ HYDRAULIC STABILIZERS, CAB (35) - HYDRAULIC SYSTEMS

Схема запчастей Case IH FARMALL 110V - (35.204.800) - VAR - 743970 - MID-MOUNT CONTROL VALVE, LINES, W/ 10 COUPLERS, W/ HYDRAULIC STABILIZERS, CAB (35) - HYDRAULIC SYSTEMS
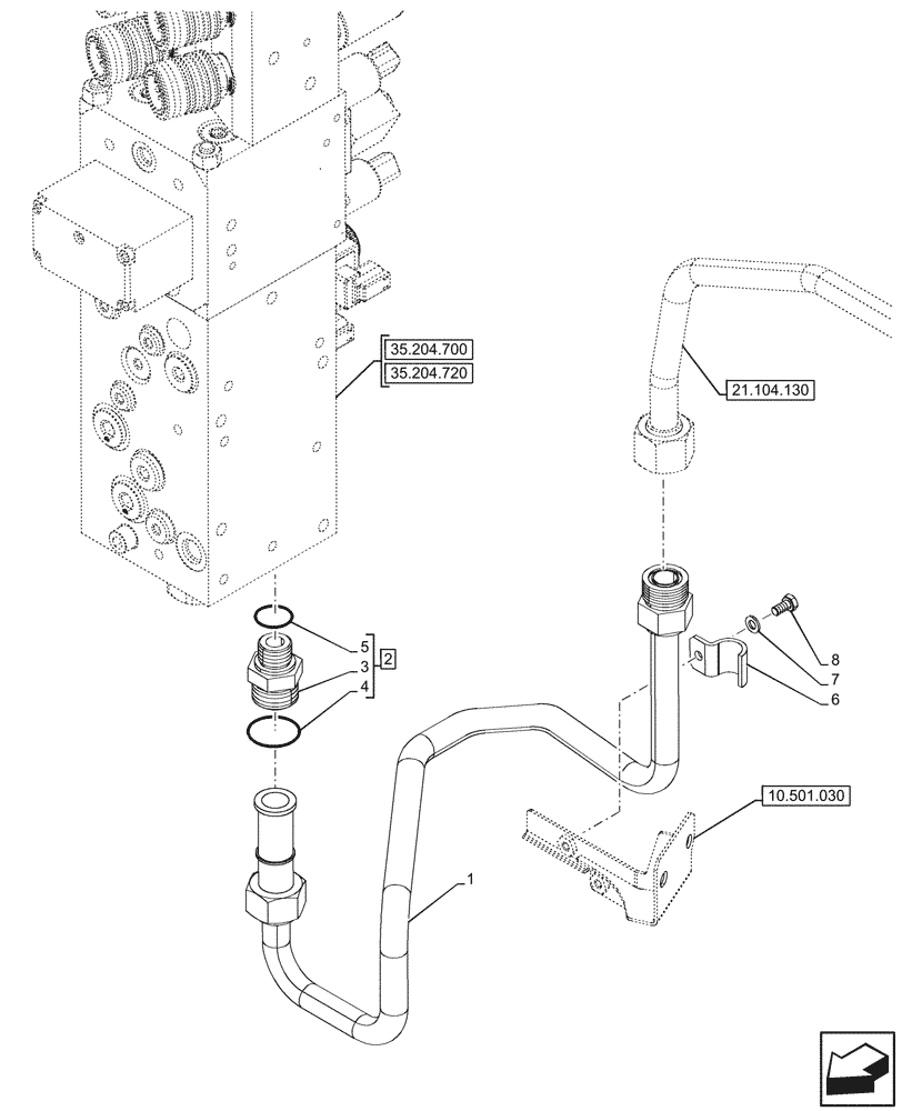
35.204.720
6
2
7
4
5
8
3
1
21.104.130
35.204.700
10.501.030
FIT
1:1
100%

Артикул

Название

Примечание

Количество

1

47947374

PIPE

Delivery to MMV less TBV

1шт.

2

86579681

HYD CONNECTOR,1-3/16"-12 ORFS x M22 x 1.5 ORB

ASSY, Incl 3 - 5

1шт.

3

NSS

NOT SOLD SEPARAT

Connector, Incl in 2

1шт.

4

86598102

O-RING,2.2mm Thk x 19.3mm ID, Cl 6, 90 Duro

1шт.

5

9991976

O-RING,0.07" Thk x 0.739" ID, -18, Cl 6, 90 Duro

1шт.

6

5193286

BRACKET

1шт.

7

11194379

BELLEVILLE WASHER,M6 Bolt Size x 12mm OD

1шт.

8

86977726

BOLT,Hex, M6 x 12mm, Cl 8.8

1шт.

Выбрано товаров: 8