Запчасти Case IH FARMALL 110V (35.204.810) - VAR - 743970 - MID-MOUNT CONTROL VALVE, LINES, W/ 10 COUPLERS, W/ TRAILER BRAKE VALVE, CAB (35) - HYDRAULIC SYSTEMS

Схема запчастей Case IH FARMALL 110V - (35.204.810) - VAR - 743970 - MID-MOUNT CONTROL VALVE, LINES, W/ 10 COUPLERS, W/ TRAILER BRAKE VALVE, CAB (35) - HYDRAULIC SYSTEMS
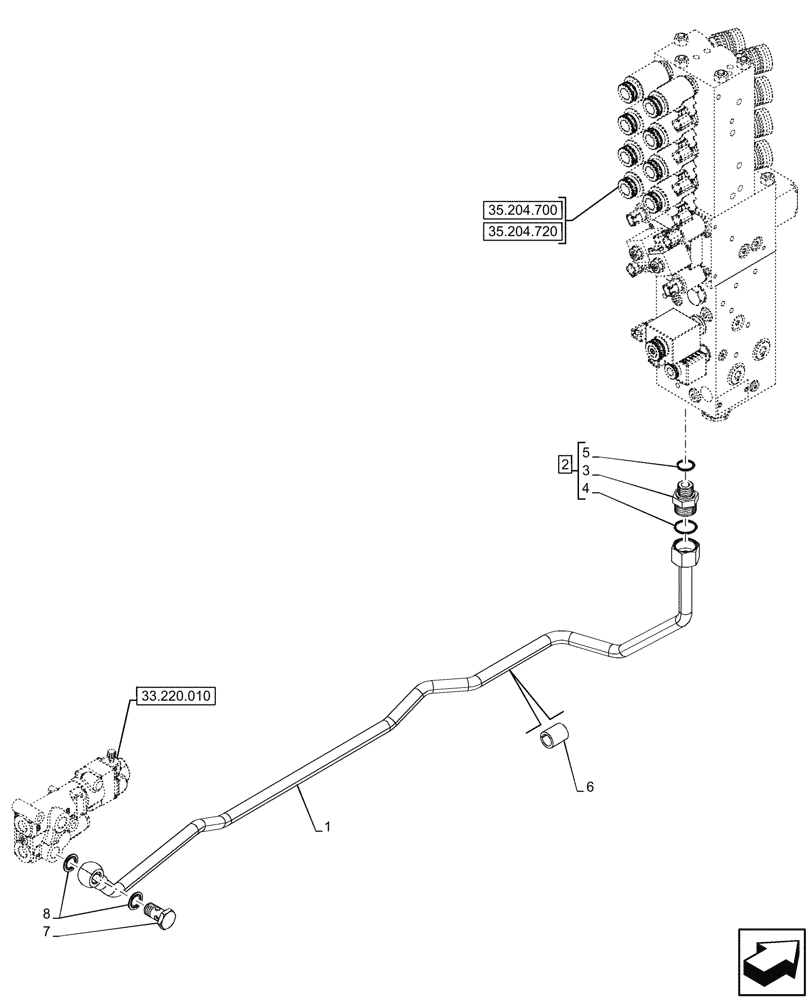
33.220.010
6
5
3
1
7
4
2
8
35.204.720
35.204.700
FIT
1:1
100%

Артикул

Название

Примечание

Количество

1

47448098

PRESSURE PIPE

from TBV to MMV

1шт.

2

86579681

HYD CONNECTOR,1-3/16"-12 ORFS x M22 x 1.5 ORB

ASSY, Incl 3 - 5

1шт.

3

NSS

NOT SOLD SEPARAT

Connector, Incl in 2

1шт.

4

86598102

O-RING,2.2mm Thk x 19.3mm ID, Cl 6, 90 Duro

1шт.

5

9991976

O-RING,0.07" Thk x 0.739" ID, -18, Cl 6, 90 Duro

1шт.

6

4959735

SPACER,18mm ID x 25mm OD x 30mm L

1шт.

7

5184345

BANJO BOLT,M18 x 1.5 x 34mm

1шт.

8

5186176

SEALING WASHER,15.80mm ID x 26.92mm OD x 1.50mm, Steel, Zinc

2шт.

Выбрано товаров: 8