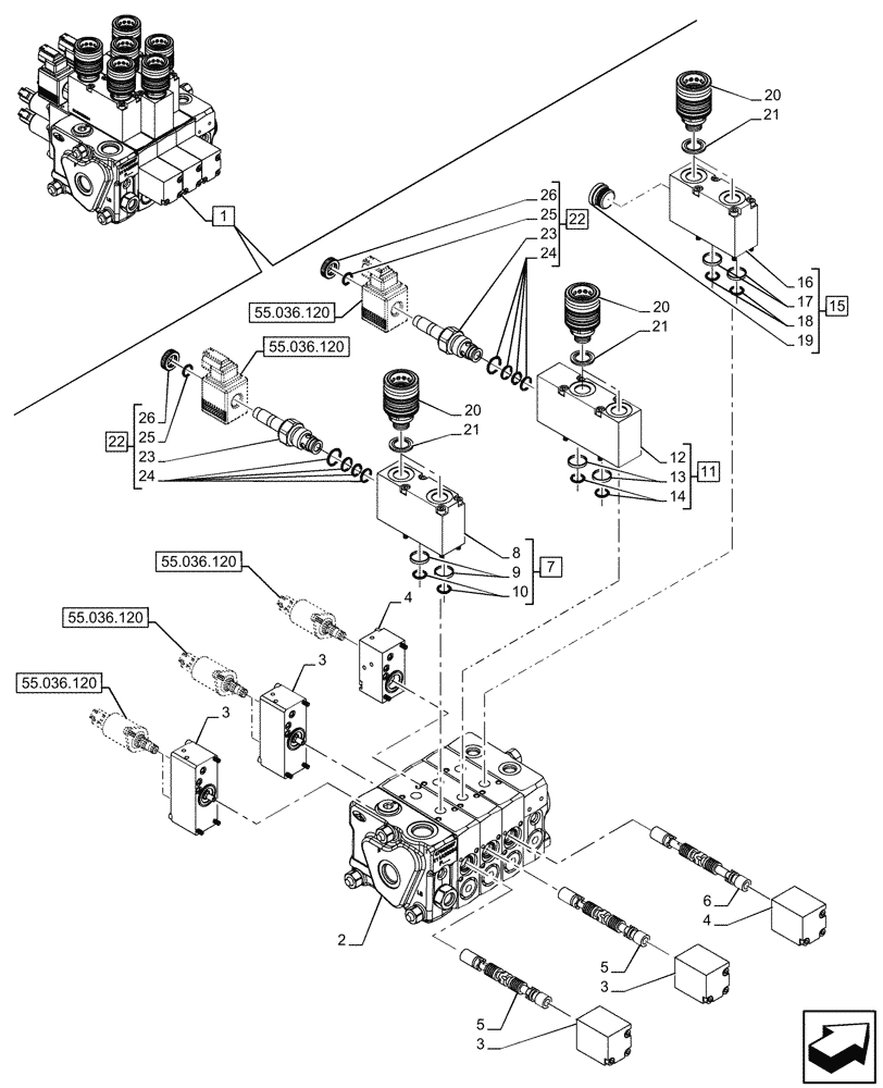
Запчасти Case IH FARMALL 110V (35.204.845) - VAR - 759021 - MID-MOUNT CONTROL VALVE, COMPONENTS, CAB (35) - HYDRAULIC SYSTEMS

Схема запчастей Case IH FARMALL 110V - (35.204.845) - VAR - 759021 - MID-MOUNT CONTROL VALVE, COMPONENTS, CAB (35) - HYDRAULIC SYSTEMS
21
13
21
26
10
2
23
20
3
4
1
26
5
3
20
21
17
25
19
9
16
14
3
22
5
22
23
24
11
7
8
20
18
3
15
12
6
25
24
4
55.036.120
55.036.120
55.036.120
55.036.120
55.036.120
FIT
1:1
100%

Артикул

Название

Примечание

Количество

1

47609367

VALVE

ASSY, Incl 2 - 26

1шт.

2

NSS

NOT SOLD SEPARAT

Body, Incl in 1

1шт.

3

48025670

VALVE

2шт.

4

48025667

VALVE

1шт.

5

48025688

SPOOL

2шт.

6

48025686

SPOOL

1шт.

7

48025676

VALVE

ASSY, Incl 8 - 10

1шт.

8

NSS

NOT SOLD SEPARAT

Body, Incl in 7

1шт.

9

NSS

NOT SOLD SEPARAT

Seal, Incl in 7

2шт.

10

NSS

NOT SOLD SEPARAT

Ring, Incl in 7

2шт.

11

48025684

VALVE

ASSY, Incl 12 -14

1шт.

12

NSS

NOT SOLD SEPARAT

Body, Incl in 11

1шт.

13

NSS

NOT SOLD SEPARAT

Seal, Incl in 11

2шт.

14

NSS

NOT SOLD SEPARAT

Ring, Incl in 11

2шт.

15

48025685

VALVE

ASSY, Incl 16 - 19

1шт.

16

NSS

NOT SOLD SEPARAT

Body, Incl in 15

1шт.

17

NSS

NOT SOLD SEPARAT

Seal, Incl in 15

2шт.

18

NSS

NOT SOLD SEPARAT

Ring, Incl in 15

2шт.

19

NSS

NOT SOLD SEPARAT

Plug, Incl in 15

1шт.

20

5179556

COUPLING, QUICK, FEM,Hex, M18 x 1.5 x 63.3mm L

6шт.

21

5186176

SEALING WASHER,15.80mm ID x 26.92mm OD x 1.50mm, Steel, Zinc

6шт.

22

48025658

VALVE

ASSY, Incl 23 - 26

2шт.

23

NSS

NOT SOLD SEPARAT

Valve, Incl in 22

2шт.

24

47464542

KIT

Seal, Valve, Incl in 22

2шт.

25

NSS

NOT SOLD SEPARAT

Ring, Incl in 22

2шт.

26

NSS

NOT SOLD SEPARAT

Seal, Incl in 22

2шт.

Выбрано товаров: 26