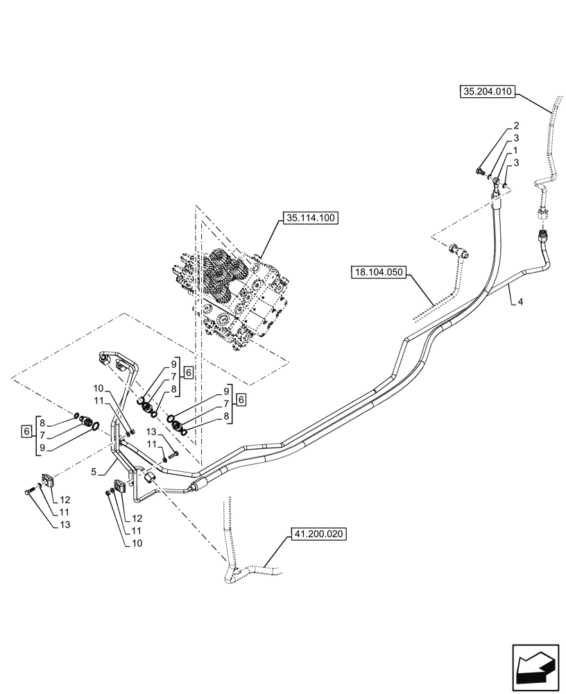
Запчасти Case IH FARMALL 110V (35.204.910) - VAR - 759021 - MID-MOUNT CONTROL VALVE, LINES, CAB (35) - HYDRAULIC SYSTEMS

Схема запчастей Case IH FARMALL 110V - (35.204.910) - VAR - 759021 - MID-MOUNT CONTROL VALVE, LINES, CAB (35) - HYDRAULIC SYSTEMS
18.104.050
7
9
1
13
6
4
8
11
10
7
11
9
8
10
3
2
12
12
6
9
5
11
8
3
13
11
7
6
41.200.020
35.114.100
35.204.010
FIT
1:1
100%

Артикул

Название

Примечание

Количество

1

47781167

PIPE

Return MMV Drain

1шт.

2

11904011

BANJO BOLT,M8 x 1 x 16mm

1шт.

3

14330260

SEALING WASHER,M8.2 x 12 x 1

2шт.

4

47808752

PIPE

MMV to Remotes

1шт.

5

47781284

PIPE

Pressure MMV Pilot

1шт.

6

86579671

HYD CONNECTOR,11/16" - 16 ORFS x M14 x 1.5 ORB

ASSY, Incl 7 - 9

3шт.

7

NSS

NOT SOLD SEPARAT

Connector, Incl in 6

1шт.

8

86598099

O-RING,2.2mm Thk x 11.3mm ID, Cl 6

1шт.

9

9993141

O-RING,0.07" Thk x 0.364" ID, -12, Cl 6, 90 Duro

1шт.

10

10720111

NUT,M6, Cl 8

2шт.

11

14496401

WASHER,M6.4 x 12.00mm x 1.60mm

4шт.

12

84549394

BLOCK

2шт.

13

15212521

BOLT,Hex, M6 x 35mm, Cl 8.8, Full Thd

1шт.

Выбрано товаров: 13