Запчасти Case IH FARMALL 110V (35.204.930) - VAR - 759021 - STABILIZER, LINES, CAB (35) - HYDRAULIC SYSTEMS

Схема запчастей Case IH FARMALL 110V - (35.204.930) - VAR - 759021 - STABILIZER, LINES, CAB (35) - HYDRAULIC SYSTEMS
27.120.010
12
7
7
16
14
6
11
3
10
1
10
2
13
9
15
5
13
13
15
5
4
17
10
8
11
8
6
35.114.100
21.118.010
37.100.040
27.120.010
FIT
1:1
100%

Артикул

Название

Примечание

Количество

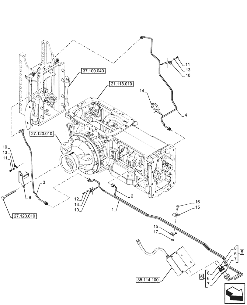
1

47650461

PIPE

Front RH Implement

1шт.

2

47914702

PIPE

Front LH Implement

1шт.

3

47650481

PIPE

Rear RH Implement

1шт.

4

47914712

PIPE

Rear LH Implement

1шт.

5

86580177

HYD CONNECTOR,11/16"-16 ORFS x M12 x 1.5 ORB

ASSY, Incl 6 - 8

2шт.

6

NSS

NOT SOLD SEPARAT

Connector, Incl in 5

1шт.

7

86598098

O-RING,2.2mm Thk x 9.3mm ID, Cl 6, 90 Duro

1шт.

8

9993141

O-RING,0.07" Thk x 0.364" ID, -12, Cl 6, 90 Duro

1шт.

9

87624509

BRACKET

1шт.

10

10441190

CLAMP,8mm, Coat, 7mm Bolt Hole, P Type

3шт.

11

86977726

BOLT,Hex, M6 x 12mm, Cl 8.8

2шт.

12

86508568

BOLT,Hex, M6 x 1 x 16mm, Cl 8.8

1шт.

13

11194379

BELLEVILLE WASHER,M6 Bolt Size x 12mm OD

3шт.

14

87016722

HOSE CLAMP,#40, 2.06/3.00 Type F Worm, W/liner

1шт.

15

47368419

CLAMP

2шт.

16

10902421

SCREW,Hex, M6 x 20mm, Cl 8.8

1шт.

17

15896214

NUT,M6, Cl 8

1шт.

Выбрано товаров: 17