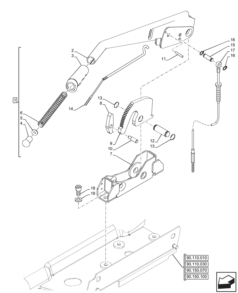
Запчасти Case IH FARMALL 80V (33.110.010) - VAR - 759028, 759029, 759031, 759033 - HAND BRAKE, LEVER (33) - BRAKES & CONTROLS

Схема запчастей Case IH FARMALL 80V - (33.110.010) - VAR - 759028, 759029, 759031, 759033 - HAND BRAKE, LEVER (33) - BRAKES & CONTROLS
90.110.010
10
13
16
11
15
4
18
1
14
6
5
13
17
16
8
3
9
2
12
7
19
90.150.100
90.150.070
90.110.030
FIT
1:1
100%

Артикул

Название

Примечание

Количество

1

84152637

HAND BRAKE

ASSY, Incl 2 - 14

1шт.

2

NSS

NOT SOLD SEPARAT

Lever, Incl in 1

1шт.

3

5105572

HANDLE GRIP

1шт.

4

4985122

BUTTON,5mm ID x 10mm OD x 30mm L

13mm ID x 30mm L

1шт.

5

5110154

SPRING WASHER,5.15mm ID x 14mm OD x 1.5mm Thk

1шт.

6

5105729

SPRING,14mm OD x 166.5mm L

14mm OD x 1,2mm DW x 166,5mm L

1шт.

7

87753644

BRACKET

Hand Brake

1шт.

8

47132116

LUG

1шт.

9

47132110

ROD-TIP

1шт.

10

5110157

PIN,8mm OD x 25.5mm L

1шт.

11

4985127

RIVET,23mm OD x 4mm D

4mm D x 23mm L

1шт.

12

4988275

PIN,14mm OD x 40mm L

1шт.

13

13400776

LOCKING RING

2шт.

14

47134212

TIE-ROD

M5 x 310mm L

1шт.

15

5105280

PIN,8mm OD x 25.5mm L

1шт.

16

11065674

CIRCLIP,M8

2шт.

17

47134051

CABLE,410mm L

Hand Brake

1шт.

18

14306224

HEX SOC SCREW,M8 x 1.25 x 16mm, Cl 8.8, Full Thd

3шт.

19

11193874

BELLEVILLE WASHER,M8 Bolt Size x 16mm OD x 1.4mm Thk

3шт.

Выбрано товаров: 0