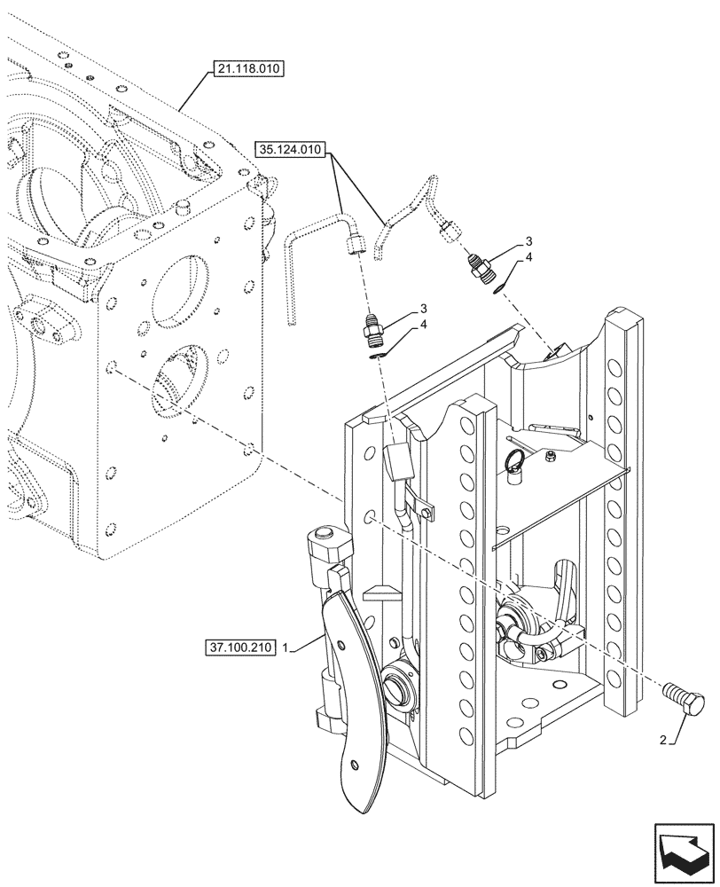
Запчасти Case IH FARMALL 80V (37.100.200) - VAR - 342331, 336945, 341516 - REAR, SLIDER, FRAME, W/O CAB (37) - HITCHES, DRAWBARS & IMPLEMENT COUPLINGS

Схема запчастей Case IH FARMALL 80V - (37.100.200) - VAR - 342331, 336945, 341516 - REAR, SLIDER, FRAME, W/O CAB (37) - HITCHES, DRAWBARS & IMPLEMENT COUPLINGS
21.118.010
4
3
2
3
1
4
37.100.210
35.124.010
FIT
1:1
100%

Артикул

Название

Примечание

Количество

1

87312537

SUPPORT

ASSY, Incl 2 - 22

1шт.

2

11390534

BOLT,Hex, M16 x 1.5 x 40mm, Cl 10.9

8шт.

3

84136076

HYD CONNECTOR,M16 x 1.5 x 37mm L

2шт.

4

14437885

O-RING,13.30mm ID x 2.40mm

2шт.

Выбрано товаров: 4