Запчасти Case IH FARMALL 80V (37.110.050) - VAR - 342377, 342378, 342379, 342380, 342381, 744833, 759013 - REAR, HYDRAULIC LIFT, CONTROL LEVER, W/ LIFT-O-MATIC PLUS, CAB (37) - HITCHES, DRAWBARS & IMPLEMENT COUPLINGS

Схема запчастей Case IH FARMALL 80V - (37.110.050) - VAR - 342377, 342378, 342379, 342380, 342381, 744833, 759013 - REAR, HYDRAULIC LIFT, CONTROL LEVER, W/ LIFT-O-MATIC PLUS, CAB (37) - HITCHES, DRAWBARS & IMPLEMENT COUPLINGS
37.108.040
22
16
5
9
11
8
7
6
12
20
1
19
24
15
4
19
3
14
21
17
18
13
23
10
2
37.110.040
37.108.030
37.108.030
37.108.040
FIT
1:1
100%

Артикул

Название

Примечание

Количество

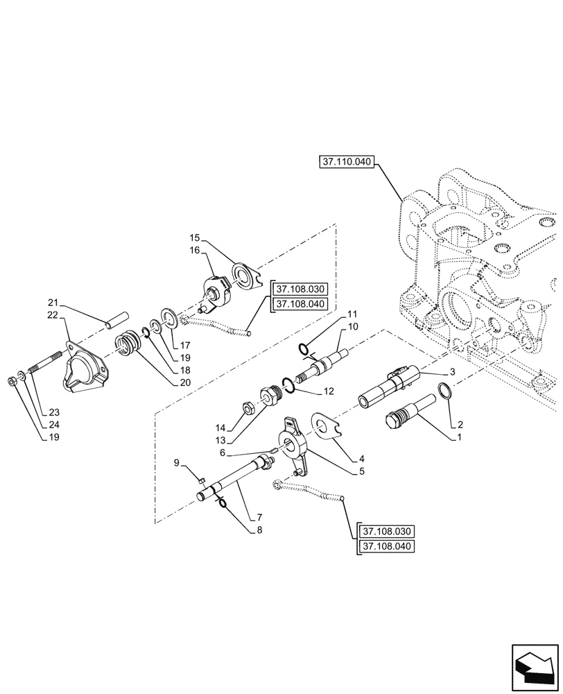
1

5168417

PIN,14mm OD x 96mm L

1шт.

2

10263460

SEAL,22.3mm ID x 28mm OD x 1.5mm Thk

1шт.

3

5173355

SHAFT,14/15.5mm ID x 22/23mm OD x 117.5mm L

1шт.

4

5165184

PLATE

1шт.

5

84190739

HUB

1шт.

6

14721010

KEY,4mm x 4mm x 14mm

1шт.

7

5173353

SPINDLE,162mm L

1шт.

8

14453080

O-RING,0.426" ID x 0.07"

1шт.

9

10617610

KEY,5mm x 5mm x 10mm

1шт.

10

5173467

PIN,20mm OD x 110mm L

1шт.

11

14457281

O-RING,0.612" ID x 0.103" Width

1шт.

12

14457680

O-RING,0.103" Thk x 0.862" ID, -118, Cl 5, 75 Duro

1шт.

13

5146379

RING NUT,Hex, M24 x 2, 24mm Thd

1шт.

14

16103614

THIN NUT,Thin, M12, 1.25 Pitch, Cl 04

1шт.

15

5165246

PLATE

1шт.

16

84190735

HUB

1шт.

17

5165368

SHIM,22.2mm ID x 35mm OD x 2.5mm Thk

1шт.

18

11066276

SNAP RING,M14, Ext

1шт.

19

16100811

NUT,Hex, M8, 6.80mm, Cl 8, ZND

3шт.

20

4952761

SPRING,Compression, 34mm OD x 25.5mm L

1шт.

21

5176339

SPACER,8.5mm OD x 41mm L

3шт.

22

5180058

PLATE

1шт.

23

13544120

STUD,M8 x 16 x 55

3шт.

24

11193874

BELLEVILLE WASHER,M8 Bolt Size x 16mm OD x 1.4mm Thk

3шт.

Выбрано товаров: 24