Запчасти Case IH FARMALL 80V (37.110.150) - VAR - 342377, 759013 - REAR, HYDRAULIC LIFT, CONTROL LEVER, W/ LIFT-O-MATIC PLUS, W/O CAB (37) - HITCHES, DRAWBARS & IMPLEMENT COUPLINGS

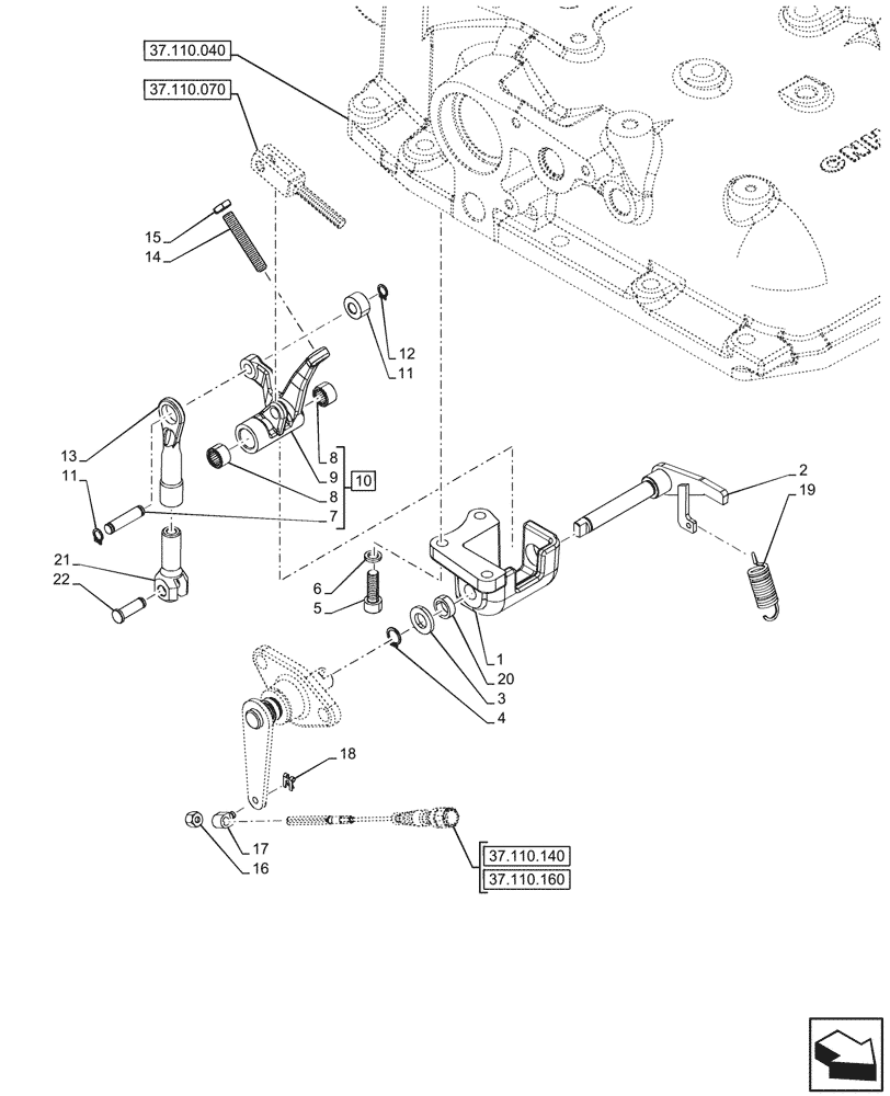
Схема запчастей Case IH FARMALL 80V - (37.110.150) - VAR - 342377, 759013 - REAR, HYDRAULIC LIFT, CONTROL LEVER, W/ LIFT-O-MATIC PLUS, W/O CAB (37) - HITCHES, DRAWBARS & IMPLEMENT COUPLINGS
37.110.070
18
8
1
8
20
21
7
4
17
15
19
6
3
9
22
5
13
16
11
11
2
14
12
10
37.110.040
37.110.160
37.110.140
FIT
1:1
100%

Артикул

Название

Примечание

Количество

1

5173366

SUPPORT

1шт.

2

5177261

LEVER

1шт.

3

10520004

WASHER,12.2mm ID x 22mm OD x 3mm Thk

1шт.

4

11066076

SNAP RING,M12, Ext

1шт.

5

14306424

HEX SOC SCREW,M8 x 1.25 x 25mm, Cl 8.8, Full Thd

3шт.

6

10569370

LOCK WASHER,8.1mm ID x 12.7mm OD x 2mm Thk

3шт.

7

NSS

NOT SOLD SEPARAT

Pin, Incl in 10

1шт.

8

5117138

ROLLER BEARING,12 mm ID x 16 mm OD x 10 mm

2шт.

9

NSS

NOT SOLD SEPARAT

Lever, Incl in 10

1шт.

10

5175907

LEVER

ASSY, Incl 7 - 9

1шт.

11

11065676

SNAP RING,M8, Ext

2шт.

12

5111028

ROLLER,18mm OD x 10mm L

1шт.

13

5176628

BALL JOINT HEAD

1шт.

14

13791321

SET SCREW,Hex Skt, M8 x 50mm, Flat Pt

1шт.

15

16102314

THIN NUT,M8 x 1.25, Cl 04

2шт.

16

12574215

NUT,M6 x 1, Cl 8

1шт.

17

5138330

PIN,5mm OD x 17.5mm L

1шт.

18

11063876

SPRING CLIP,M5 x 4mm

1шт.

19

5176629

SPRING,Extension, 16mm OD x 51mm L

1шт.

20

5173393

SPACER,12.5mm ID x 17mm OD x 5.5mm L

1шт.

21

5173352

CLEVIS,M8 x 1

1шт.

22

5117161

PIN,8mm OD x 27mm L

1шт.

Выбрано товаров: 22