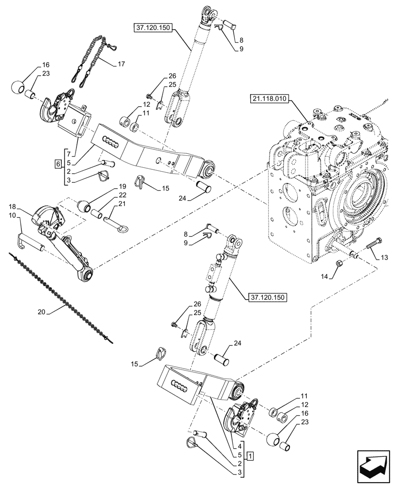
Запчасти Case IH FARMALL 80V (37.120.090) - VAR - 341790, 759012 - REAR, 3 POINT HITCH, TOP LINK, LOWER LINK, W/ QUICK ENDS, W/ TYRE 20, CAT 2 (37) - HITCHES, DRAWBARS & IMPLEMENT COUPLINGS

Схема запчастей Case IH FARMALL 80V - (37.120.090) - VAR - 341790, 759012 - REAR, 3 POINT HITCH, TOP LINK, LOWER LINK, W/ QUICK ENDS, W/ TYRE 20, CAT 2 (37) - HITCHES, DRAWBARS & IMPLEMENT COUPLINGS
21.118.010
11
17
6
15
18
7
8
16
23
10
25
20
21
26
26
19
14
22
13
1
4
5
11
12
3
16
5
3
15
2
24
9
2
12
24
9
23
25
8
37.120.150
37.120.150
FIT
1:1
100%

Артикул

Название

Примечание

Количество

1

87710984

ARM

ASSY, Incl 2 (Qty 1), 3 (Qty 1), 4, 5

1шт.

2

5194126

PIN

2шт.

3

47133246

LOCK PIN,7.5mm OD x 42mm L

2шт.

4

5194129

TRACK ROD END ASSY

1шт.

5

NSS

NOT SOLD SEPARAT

Lower Link, Incl in 6

2шт.

6

87710985

ARM

ASSY, Incl 2 (Qty 1), 3 (Qty 1), 5, 7

1шт.

7

5194130

TRACK ROD END ASSY

1шт.

8

5188374

PIN,18mm OD x 59mm L

2шт.

9

5188412

COTTER PIN,25.6mm OD x 48mm L

2шт.

10

5181097

PIN,25.5mm OD x 135mm L

1шт.

11

5131391

SPACER,25.5mm ID x 38mm OD x 15mm L

2шт.

12

5116247

RING,24mm ID x 38.4mm OD x 25mm L

2шт.

13

15888724

BOLT,Hex, M10 x 1.25 x 55mm, Cl 8.8

2шт.

14

12574514

LOCK NUT,M10 x 1.25

2шт.

15

5166585

LOCK PIN,11mm OD

2шт.

16

822441

BUSHING,29mm ID x 56mm OD x 44.5mm L

2шт.

17

5116063

ROPE,4500mm L

1шт.

18

5199264

TIE-ROD

1шт.

19

5172480

BALL,25.4mm ID x 50mm OD

1шт.

20

5174395

CABLE,1250mm L, Cat 2, Red Ruby

1шт.

21

561831

PIN,19mm OD x 100mm L

1шт.

22

5134566

BUSHING,19.4mm ID x 25mm OD x 44mm L

1шт.

23

5192619

BUSHING,22mm ID x 28.4mm OD x 35mm L

2шт.

24

5193422

PIN,26mm OD x 64mm L

2шт.

25

5193751

COVER PLATE

2шт.

26

10910321

BOLT,Hex, M8 x 1 x 14mm, Cl 8.8, Full Thd

2шт.

Выбрано товаров: 26