Запчасти Case IH FARMALL 80V (10.501.090) - VAR - 331151 - VERTICAL EXHAUST, MUFFLER (10) - ENGINE

Схема запчастей Case IH FARMALL 80V - (10.501.090) - VAR - 331151 - VERTICAL EXHAUST, MUFFLER (10) - ENGINE
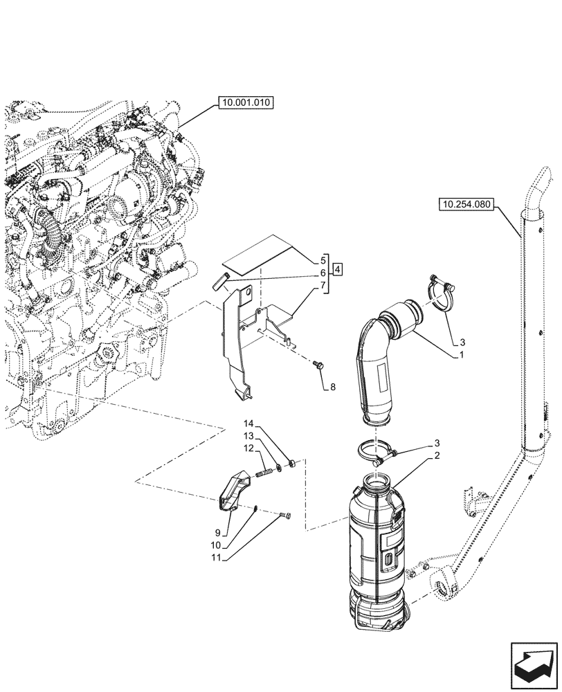
10.254.080
8
6
3
13
3
11
7
10
14
1
5
9
4
2
12
10.001.010
FIT
1:1
100%

Артикул

Название

Примечание

Количество

1

47952216

PIPE

1шт.

2

47969023

MUFFLER

1шт.

3

84347394

COLLAR CLAMP,63.5mm - 70mm

2шт.

4

47961988

SUPPORT

ASSY, Incl 5-7

1шт.

5

47450605

HEAT SHIELD

1шт.

6

47978674

SEAL,80mm L x 15mm W x 10mm Thk

Engine Bracket

1шт.

7

NSS

NOT SOLD SEPARAT

Support, Incl in 4

1шт.

8

87656137

BOLT,Flange Hex, M8 x 20mm, Cl 10.9

3шт.

9

48006154

BRACKET

1шт.

10

84188434

WASHER,8.4mm ID x 16mm OD x 1.6mm Thk

2шт.

11

614-8020

BOLT,Hex, M8 x 1.25 x 20mm

2шт.

12

16731370

STUD

M10 x 1.5 x 30 x 15 A2-70 Pln

1шт.

13

85700654

WASHER,10.5mm ID x 20mm OD x 2.5mm Thk

1шт.

14

11701770

NUT,Hex, M10, Cl A2-70

M10 A2-70 Pln Din

1шт.

Выбрано товаров: 14